- 関連カテゴリ:
- アクアヒンジ(簡易防水仕様)
- ニュースター
- フロアヒンジ
特設ページ
- NEWSTAR
- 商品コード:ns aq-hs-505
水や埃が入りにくく設計された簡易的な防水仕様のフロアヒンジです。
ニュースター アクアヒンジ AQ HS-505 / AQ HS-505 ZⅠ 【簡易防水仕様, ストップ付き, 中心吊り・自由開き(内外120°開き), 一般ドア用, NEWSTAR】
ニュースター アクアヒンジ AQ HS-505 / AQ HS-505 ZⅠ 【簡易防水仕様, ストップ付き, 中心吊り・自由開き(内外120°開き), 一般ドア用, NEWSTAR】
カートに追加する前に、必ず 「トップピボット」「左右勝手」をご選択 下さい。
商品概要
- 商品分類
- アクアヒンジ(簡易防水型フロアヒンジ)
- メーカー・ブランド
- NEWSTAR(NS, ニュースター, 日本ドアーチエック製造)
- 品番・型番
-
- AQ HS-505(標準型トップピボット)
- AQ HS-505 ZⅠ(ZⅠ型トップピボット)
- 機能・特徴
-
- フロアヒンジ「HS-505 / HS-505 ZⅠ」を簡易的な防水仕様にしたものです。
- 主軸回り及び本体と蓋の接合部にシール材が採用された簡易的な防水仕様のフロアヒンジです。
- 水や埃が入りにくく、錆の発生を抑制し、長くご使用頂けます。
- ビルの玄関、レストラン、厨房、地下出入口等水や湿気の多い場所に最適です。
- 適用ドアの種類
- 一般ドア用
- 開閉様式
- 中心吊り・一方開き(最大開き角度:内外120°)
- ストップ機能
- ストップ付き(ストップ角度:90°)
- 左右勝手
- 左右勝手あり(押し勝手)
※ドアを閉じた状態から押して開ける際に、吊元がどちらにあるかで決まります。)
- 押して開けた際に吊元が右側 → 右勝手
- 押して開けた際に吊元が左側 → 左勝手
- 適用ドア寸法
- DW450~800 × DH1800mm
- ドア重量
- 15~45kg以下
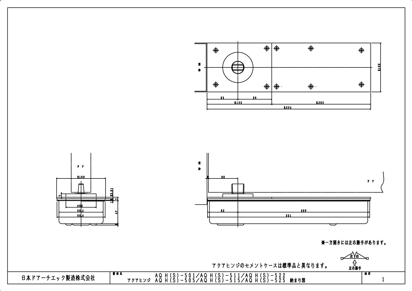
[ 製品図面・納まり図 ]
-
- ピンチアウト(拡大)操作できます -
[ 製品仕様・特徴 ]
- カタログ「アクアヒンジ」
-
- ピンチアウト(拡大)操作できます -
- ※参考カタログ「H-501・H-511・H-522シリーズ」
-
-
[ 仕様一覧表 ]
- 一般ドア用 アクアヒンジ
- 横スクロールで閲覧できます -開閉様式・扉様態・特徴 | 品番・刻印 | ケース 深さ (mm) |
ドア適用 | |||
---|---|---|---|---|---|---|
ストップ無し | ストップ付き | ドアサイズ (DW × DHmm) |
ドア重量 (kg以下) |
|||
中心吊り・自由開き |
|
AQ 30 | AQ S-30 | 108 | 950 × 2100 | 110 |
AQ 40 | AQ S-40 | 112 | 1050 × 2400 | 185 | ||
|
AQ H-501 | AQ HS-501 | 57 | 450~800 × 1800 |
15~45 | |
AQ H-511 | AQ HS-511 | 900 × 2100 | 70 | |||
AQ H-522 | AQ HS-522 | 950 × 2100 | 105 | |||
AQ H-1300 | AQ HS-1300 | 55.6 | 950 × 2100 | 110 | ||
AQ H-1400 | AQ HS-1400 | 1050 × 2400 | 185 | |||
|
AQ A-1300 | 950 × 2100 | 110 | |||
AQ A-1400 | 1050 × 2400 | 185 | ||||
AQ A-1500 | 75.4 | 1400 × 2400 | 240 | |||
AQ A-1600 | 1800 × 2700 | 280 | ||||
中心吊り・一方開き |
|
AQ H-505 | AQ HS-505 | 57 | 450~800 × 1800 |
15~45 |
AQ H-515 | AQ HS-515 | 900 × 2100 | 70 | |||
AQ H-525 | AQ HS-525 | 950 × 2100 | 105 |
[ 関連リンク ]
ニュースターのフロアヒンジ一覧
ニュースターのカテゴリ一覧





