- 関連カテゴリ:
- 旧型・廃番フロアヒンジの交換品
- 200・300シリーズ
- ニュースター
- フロアヒンジ
特設ページ
- NEWSTAR
- 商品コード:ns hs-515chh
旧型(廃番品)の取替・修理・交換・埋替・斫り替え用に。
ニュースター 廃番フロアヒンジ HS-315 埋替品(斫り替え品) HS-515CHH 【ストップ付き, 中心吊り, 一方開き(一方120°開き), 一般ドア用, NEWSTAR】
ニュースター 廃番フロアヒンジ HS-315 埋替品(斫り替え品) HS-515CHH 【ストップ付き, 中心吊り, 一方開き(一方120°開き), 一般ドア用, NEWSTAR】
カートに追加する前に、必ず 「トップピボット」「左右勝手」をご選択 下さい。
商品概要
- 商品分類
- 旧型フロアヒンジ(廃番品)の埋替品・斫り替え品
- メーカー・ブランド
- NEWSTAR (NS, ニュースター, 日本ドアーチェック製造)
- 品番・型番
-
HS-515CHH(HS-315[廃番品]用 埋替品・斫り替え品)
※廃番になったフロアヒンジの製品一式取替品(代替品)です。 - 機能・特徴
- セメントケース・フロアプレート・中身本体・アーム・トップピボットを全て含んだ埋め替えセット品です。
- 適用ドアの種類
- 一般ドア用
- 開閉様式
- 中心吊り・一方開き(最大開き角度:一方120°)
- ストップ機能
- ストップ付き(ストップ角度:90°)
- 左右勝手
- 左右勝手あり(押し勝手)
ドアが閉じられた状態から押して開ける際に吊元がどちらにあるかで判断して下さい。
- 押して開けた際に吊元が右側 → 右勝手
- 押して開けた際に吊元が左側 → 左勝手
- 既設品プレート寸法
-
※既設品の品番特定の際の参考にしてください。
- 大プレート:サイズ 100×185mm、「HS-315」の刻印あり。
- 小プレート:サイズ 100×118mm
- 軸心:63mm
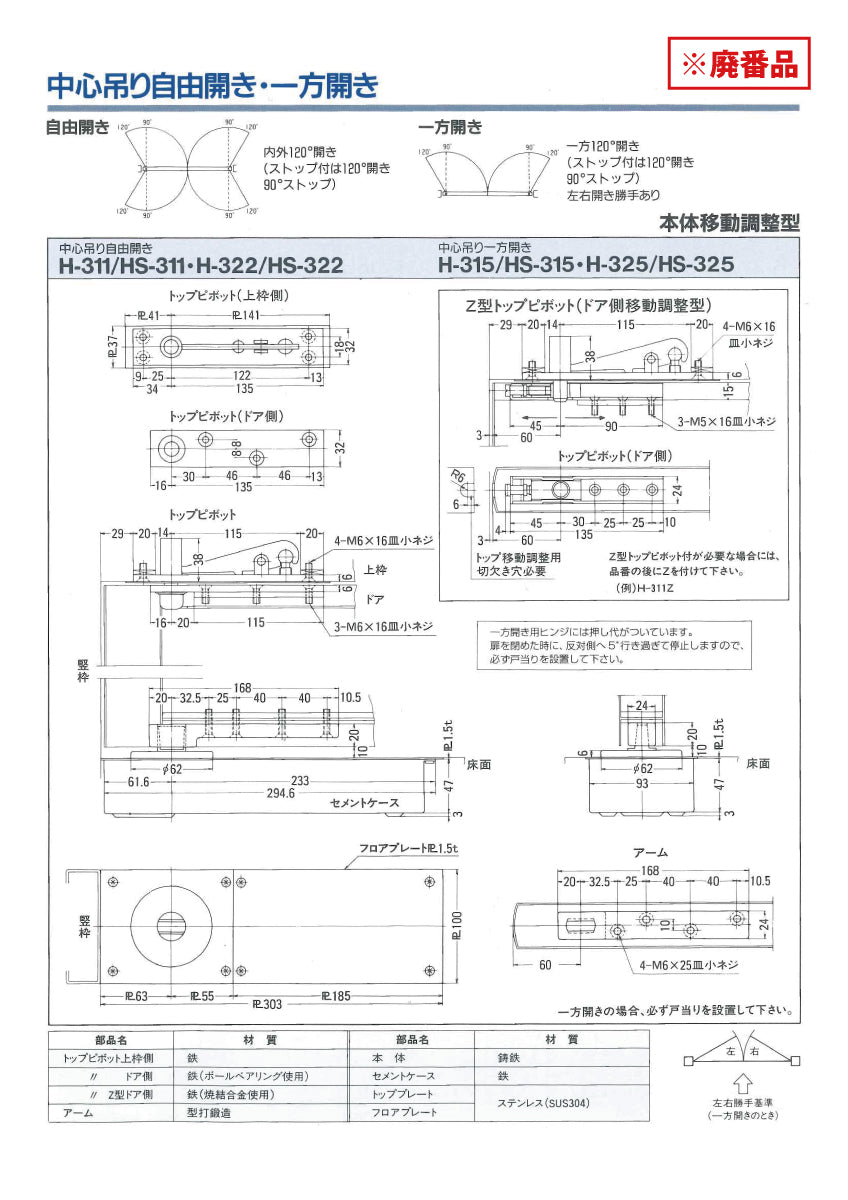
[ 製品図面・納まり図 ]
- 製品図面
-
- ピンチアウト(拡大)操作できます -
- 廃番製品図面(※取替の際の参考にして下さい。)
-
[ 製品仕様・特徴 ]
- フロアヒンジ「200・300シリーズ」交換要領
-
- ピンチアウト(拡大)操作できます -
[ 仕様一覧表 ]
仕様一覧表「旧型・廃番フロアヒンジ 200・300シリーズ 一般ドア用」
- 横スクロールで閲覧できます -旧型・廃番品 (プレートの刻印) |
→ | メンテナンス用 取替品(交換・代替品) | |||||
---|---|---|---|---|---|---|---|
本体のみ取替 の場合 (取替用中身本体) |
製品一式取替 の場合 (埋替品・斫り替え品) |
||||||
ストップ無し | ストップ付き | ストップ無し | ストップ付き | ストップ無し | ストップ付き | ||
200シリーズ | 211 | S-211 | → | 211用 取替本体 | S-211用 取替本体 | H-511CHE | HS-511CHE |
222 | S-222 | 222用 取替本体 | S-222用 取替本体 | H-522CHE | HS-522CHE | ||
H-211 | HS-211 | → | H-211用 取替本体 | HS-211用 取替本体 | H-511CHU | HS-511CHU | |
H-222 | HS-222 | H-222用 取替本体 | HS-222用 取替本体 | H-522CHU | HS-522CHU | ||
K-211 | KS-211 | → | K-211用 取替本体 | KS-211用 取替本体 | H-511CHK | HS-511CHK | |
K-222 | KS-222 | K-222用 取替本体 | KS-222用 取替本体 | H-522CHK | HS-522CHK | ||
120 | 220 | → | 取替用本体は製造されていません。 右記の製品一式にて、お取替ください。 |
H-522CHG | HS-522CHG | ||
222CHA | S-222CHA | H-522CHG | HS-522CHG | ||||
H-120 | H-220 | → | 取替用本体は製造されていません。 右記の製品一式にて、お取替ください。 |
H-522Z | HS-522Z | ||
H-222CHB | HS-222CHB | H-522Z | HS-522Z | ||||
110 | 210 | → | 取替用本体は製造されていません。 右記の製品一式にて、お取替ください。 |
H-511CHF | HS-511CHF | ||
H-110 | H-210 | H-511Z | HS-511Z | ||||
K-110 | K-210 | → | 取替用本体は製造されていません。 右記の製品一式にて、お取替ください。 |
H-511CHK | HS-511CHK | ||
K-120 | K-220 | H-522CHK | HS-522CHK | ||||
300シリーズ | H-311 | HS-311 | → | H-511CHD | HS-511CHD | H-511CHH | HS-511CHH |
H-322 | HS-322 | H-522CHD | HS-522CHD | H-522CHH | HS-522CHH | ||
H-315 | HS-315 | → | H-515CHD | HS-515CHD | H-515CHH | HS-515CHH | |
H-325 | HS-325 | H-525CHD | HS-525CHD | H-525CHH | HS-525CHH | ||
H-311CH | HS-311CH | → | H-511CHC | HS-511CHC | H-511CHF | HS-511CHF | |
H-311U | HS-311U | → | 取替用本体は製造されていません。 右記の製品一式にて、お取替ください。 |
H-511 | HS-511 | ||
H-322U | HS-322U | H-522 | HS-522 | ||||
H-315U | HS-315U | → | H-515 | HS-515 | |||
H-325U | HS-325U | H-525 | HS-525 |
[ 関連リンク ]
ニュースターのフロアヒンジ一覧
ニュースターのカテゴリ一覧





