- 関連カテゴリ:
- 200・300シリーズ
- 旧型・廃番フロアヒンジの交換品
- ニュースター
- フロアヒンジ
特設ページ
- NEWSTAR
- 商品コード:ns hs-311-b
ニュースターの旧型フロアヒンジ(廃番品)の取替・交換品。
ニュースター 廃番フロアヒンジ HS-311用 取替本体 HS-511CHD【ストップ付き, 自由開き(内外120°開き), 中心吊り, 一般ドア用, 200・300シリーズ, NEWSTAR】
ニュースター 廃番フロアヒンジ HS-311用 取替本体 HS-511CHD【ストップ付き, 自由開き(内外120°開き), 中心吊り, 一般ドア用, 200・300シリーズ, NEWSTAR】
カートに追加する前に、必ず 「トップピボット」をご選択 下さい。
「既設のトップピボットが流用できない」等で必要と思われる場合は、『必要』をご選択下さい。
商品概要
- 商品分類
- 旧型フロアヒンジ(廃番品)の取替用本体
- メーカー・ブランド
- NEWSTAR(NS, ニュースター, 日本ドアーチェック製造)
- 品番・型式
-
HS-511CHD(HS-311[廃番品]用 取替本体)
※廃番になったフロアヒンジのメンテナンス・取替用の 中身本体のみ です。 - 適用ドアの種類
- 一般ドア用
- 開閉様式
- 中心吊り・自由開き(最大開き角度:内外120°)
- ストップ機能
- ストップ付き(ストップ角度:90°)
- 左右勝手
- 共通
- 既設品のフロアプレート
- ※既設品の品番特定の際の参考にして下さい。
- 大プレート:サイズ 100×185、「HS-311」の刻印あり。
- 小プレート:サイズ 100×118、
- 軸心:63mm
- セット内容
-
- 取替用本体CHD専用(金具付き) : 1台(※標準品及びCHCとは異なります。)
- ドア幅方向調整ネジ:十字穴付き六角ボルト (M6×30) 2本
- ドア幅方向調整ナット:六角ナット (M6並) 2個
- スパナ:5mm・6mm用 1個
- プレートビス:十字穴付き特皿小ネジ (M5×8 D=8) 8本
- 300取替専用取扱説明書:1部
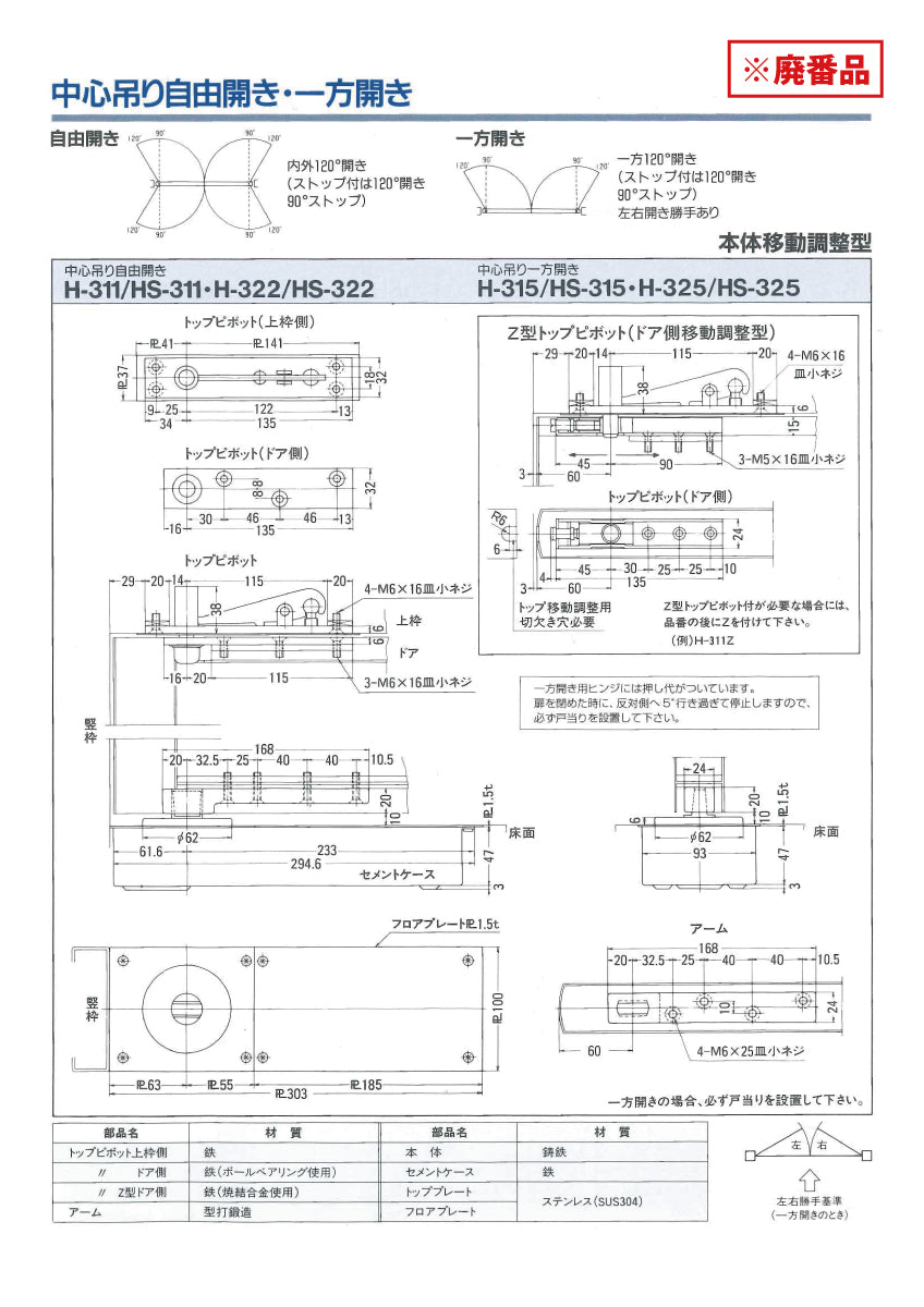
[ 製品図面・納まり図 ]
- 廃番製品図面(※取替の際の参考にして下さい。)
-
- ピンチアウト(拡大)操作できます -
[ 仕様一覧表 ]
旧型・廃番フロアヒンジ 200・300シリーズ 一般ドア用
- 横スクロールで閲覧できます -| 旧型・廃番品 (プレートの刻印) |
→ | メンテナンス用 取替品(交換・代替品) | |||||
|---|---|---|---|---|---|---|---|
| 本体のみ取替 の場合 (取替用中身本体) |
製品一式取替 の場合 (埋替品・斫り替え品) |
||||||
| ストップ無し | ストップ付き | ストップ無し | ストップ付き | ストップ無し | ストップ付き | ||
| 200シリーズ | 211 | S-211 | → | 211用 取替本体 | S-211用 取替本体 | H-511CHE | HS-511CHE |
| 222 | S-222 | 222用 取替本体 | S-222用 取替本体 | H-522CHE | HS-522CHE | ||
| H-211 | HS-211 | → | H-211用 取替本体 | HS-211用 取替本体 | H-511CHU | HS-511CHU | |
| H-222 | HS-222 | H-222用 取替本体 | HS-222用 取替本体 | H-522CHU | HS-522CHU | ||
| K-211 | KS-211 | → | K-211用 取替本体 | KS-211用 取替本体 | H-511CHK | HS-511CHK | |
| K-222 | KS-222 | K-222用 取替本体 | KS-222用 取替本体 | H-522CHK | HS-522CHK | ||
| 120 | 220 | → | 取替用本体は製造されていません。 右記の製品一式にて、お取替ください。 |
H-522CHG | HS-522CHG | ||
| 222CHA | S-222CHA | H-522CHG | HS-522CHG | ||||
| H-120 | H-220 | → | 取替用本体は製造されていません。 右記の製品一式にて、お取替ください。 |
H-522Z | HS-522Z | ||
| H-222CHB | HS-222CHB | H-522Z | HS-522Z | ||||
| 110 | 210 | → | 取替用本体は製造されていません。 右記の製品一式にて、お取替ください。 |
H-511CHF | HS-511CHF | ||
| H-110 | H-210 | H-511Z | HS-511Z | ||||
| K-110 | K-210 | → | 取替用本体は製造されていません。 右記の製品一式にて、お取替ください。 |
H-511CHK | HS-511CHK | ||
| K-120 | K-220 | H-522CHK | HS-522CHK | ||||
| 300シリーズ | H-311 | HS-311 | → | H-511CHD | HS-511CHD | H-511CHH | HS-511CHH |
| H-322 | HS-322 | H-522CHD | HS-522CHD | H-522CHH | HS-522CHH | ||
| H-315 | HS-315 | → | H-515CHD | HS-515CHD | H-515CHH | HS-515CHH | |
| H-325 | HS-325 | H-525CHD | HS-525CHD | H-525CHH | HS-525CHH | ||
| H-311CH | HS-311CH | → | H-511CHC | HS-511CHC | H-511CHF | HS-511CHF | |
| H-311U | HS-311U | → | 取替用本体は製造されていません。 右記の製品一式にて、お取替ください。 |
H-511 | HS-511 | ||
| H-322U | HS-322U | H-522 | HS-522 | ||||
| H-315U | HS-315U | → | H-515 | HS-515 | |||
| H-325U | HS-325U | H-525 | HS-525 | ||||
[ 関連リンク ]
ニュースターのフロアヒンジ一覧
ニュースターのカテゴリ一覧









ニュースター(NEWSTAR)
ドアクローザー
フロアヒンジ
引き戸クローザー
オートパワーヒンジ
ピボットヒンジ
その他
→ NEWSTAR(ニュースター)の 旧型(廃番品)フロアヒンジの交換品 一覧
→ ニュースター(NEWSTAR)のフロアヒンジ 仕様一覧表 はこちら
→ フロアヒンジの取替・交換品選定、お見積りサービス
一般ドア用
木製ドア用
強化ガラスドア用(テンパードア用)
防火ドア用
アクアヒンジ(簡易防水仕様)
防浸形フロアヒンジ(完全防水仕様)
旧型・廃番品
いわきエンジニアリング
大鳥機工
カツデン
シブタニ
ダイケン
長沢製作所
中西産業
日東工器
ニュースター
ハシダ技研
ホクシヨー
増田産業
マルキ
美和ロック
ユニオン
ヨコヅナ
リョービ