- 関連カテゴリ:
- 旧型・廃番フロアヒンジの交換品
- 200・300シリーズ
- ニュースター
- フロアヒンジ
特設ページ
- NEWSTAR
- 商品コード:ns h-522chh
旧型(廃番品)の取替・修理・交換・埋替・斫り替え用に。
ニュースター 廃番フロアヒンジ H-322用 埋替品(斫り替え品) H-522CHH 【ストップ無し, 中心吊り, 自由開き(内外120°開き), 一般ドア用, NEWSTAR】
ニュースター 廃番フロアヒンジ H-322用 埋替品(斫り替え品) H-522CHH 【ストップ無し, 中心吊り, 自由開き(内外120°開き), 一般ドア用, NEWSTAR】
カートに追加する前に、必ず 「トップピボット」をご選択 下さい。
商品概要
- 商品分類
- 旧型フロアヒンジ(廃番品)の埋替品・斫り替え品
- メーカー・ブランド
- NEWSTAR(NS, ニュースター, 日本ドアーチェック製造)
- 品番・型番
-
H-522CHH(H-322[廃番品]用 埋替品・斫り替え品)
※廃番になったフロアヒンジの製品一式取替品(代替品)です。 - 機能・特徴
- セメントケース・フロアプレート・中身本体・アーム・トップピボットを全て含んだ埋め替えセット品です。
- 適用ドアの種類
- 一般ドア用
- 開閉様式
- 中心吊り・自由開き(最大開き角度:内外120°)
- ストップ機能
- ストップ無し
- 左右勝手
- 共通
- 既設品のフロアプレート
- ※既設品の品番特定の際の参考にして下さい。
- 大プレート:サイズ 100×185mm、「H-322」の刻印あり。
- 小プレート:サイズ 100×118mm
- 軸心:63mm
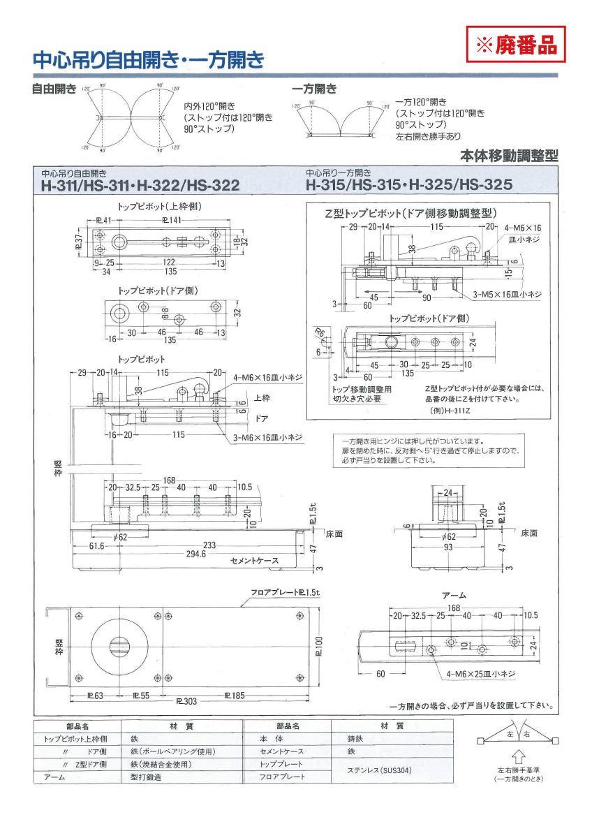
[ 製品図面・納まり図 ]
- 製品図面
-
- ピンチアウト(拡大)操作できます -
- 廃番製品図面(※取替の際の参考にして下さい。)
-
[ 製品仕様・特徴 ]
- フロアヒンジ「200・300シリーズ」交換要領
-
- ピンチアウト(拡大)操作できます -
[ 仕様一覧表 ]
仕様一覧表「旧型・廃番フロアヒンジ 200・300シリーズ 一般ドア用」
- 横スクロールで閲覧できます -旧型・廃番品 (プレートの刻印) |
→ | メンテナンス用 取替品(交換・代替品) | |||||
---|---|---|---|---|---|---|---|
本体のみ取替 の場合 (取替用中身本体) |
製品一式取替 の場合 (埋替品・斫り替え品) |
||||||
ストップ無し | ストップ付き | ストップ無し | ストップ付き | ストップ無し | ストップ付き | ||
200シリーズ | 211 | S-211 | → | 211用 取替本体 | S-211用 取替本体 | H-511CHE | HS-511CHE |
222 | S-222 | 222用 取替本体 | S-222用 取替本体 | H-522CHE | HS-522CHE | ||
H-211 | HS-211 | → | H-211用 取替本体 | HS-211用 取替本体 | H-511CHU | HS-511CHU | |
H-222 | HS-222 | H-222用 取替本体 | HS-222用 取替本体 | H-522CHU | HS-522CHU | ||
K-211 | KS-211 | → | K-211用 取替本体 | KS-211用 取替本体 | H-511CHK | HS-511CHK | |
K-222 | KS-222 | K-222用 取替本体 | KS-222用 取替本体 | H-522CHK | HS-522CHK | ||
120 | 220 | → | 取替用本体は製造されていません。 右記の製品一式にて、お取替ください。 |
H-522CHG | HS-522CHG | ||
222CHA | S-222CHA | H-522CHG | HS-522CHG | ||||
H-120 | H-220 | → | 取替用本体は製造されていません。 右記の製品一式にて、お取替ください。 |
H-522Z | HS-522Z | ||
H-222CHB | HS-222CHB | H-522Z | HS-522Z | ||||
110 | 210 | → | 取替用本体は製造されていません。 右記の製品一式にて、お取替ください。 |
H-511CHF | HS-511CHF | ||
H-110 | H-210 | H-511Z | HS-511Z | ||||
K-110 | K-210 | → | 取替用本体は製造されていません。 右記の製品一式にて、お取替ください。 |
H-511CHK | HS-511CHK | ||
K-120 | K-220 | H-522CHK | HS-522CHK | ||||
300シリーズ | H-311 | HS-311 | → | H-511CHD | HS-511CHD | H-511CHH | HS-511CHH |
H-322 | HS-322 | H-522CHD | HS-522CHD | H-522CHH | HS-522CHH | ||
H-315 | HS-315 | → | H-515CHD | HS-515CHD | H-515CHH | HS-515CHH | |
H-325 | HS-325 | H-525CHD | HS-525CHD | H-525CHH | HS-525CHH | ||
H-311CH | HS-311CH | → | H-511CHC | HS-511CHC | H-511CHF | HS-511CHF | |
H-311U | HS-311U | → | 取替用本体は製造されていません。 右記の製品一式にて、お取替ください。 |
H-511 | HS-511 | ||
H-322U | HS-322U | H-522 | HS-522 | ||||
H-315U | HS-315U | → | H-515 | HS-515 | |||
H-325U | HS-325U | H-525 | HS-525 |
[ 関連リンク ]
ニュースターのフロアヒンジ一覧
ニュースターのカテゴリ一覧




