- 関連カテゴリ:
- 取替用本体
- 旧型・廃番フロアヒンジの交換品
- 200・300シリーズ
- ニュースター
- フロアヒンジ
特設ページ
- NEWSTAR
- 商品コード:ns h-515chd
ニュースターの旧型フロアヒンジ(廃番品)の取替・交換品。
ニュースター 廃番フロアヒンジ H-315用 取替本体 H-515CHD 【ストップ無し, 中心吊り・一方開き(一方120°開き), 一般ドア用, NEWSTAR】
ニュースター 廃番フロアヒンジ H-315用 取替本体 H-515CHD 【ストップ無し, 中心吊り・一方開き(一方120°開き), 一般ドア用, NEWSTAR】
カートに追加する前に、必ず 「トップピボット」「左右勝手」をご選択 下さい。
「既設のトップピボットが流用できない」等で必要と思われる場合は、『必要』をご選択下さい。
商品概要
- 商品分類
- 旧型フロアヒンジ(廃番品)の取替用本体
- メーカー・ブランド
- NEWSTAR(NS, ニュースター, 日本ドアーチェック製造)
- 品番・型式
-
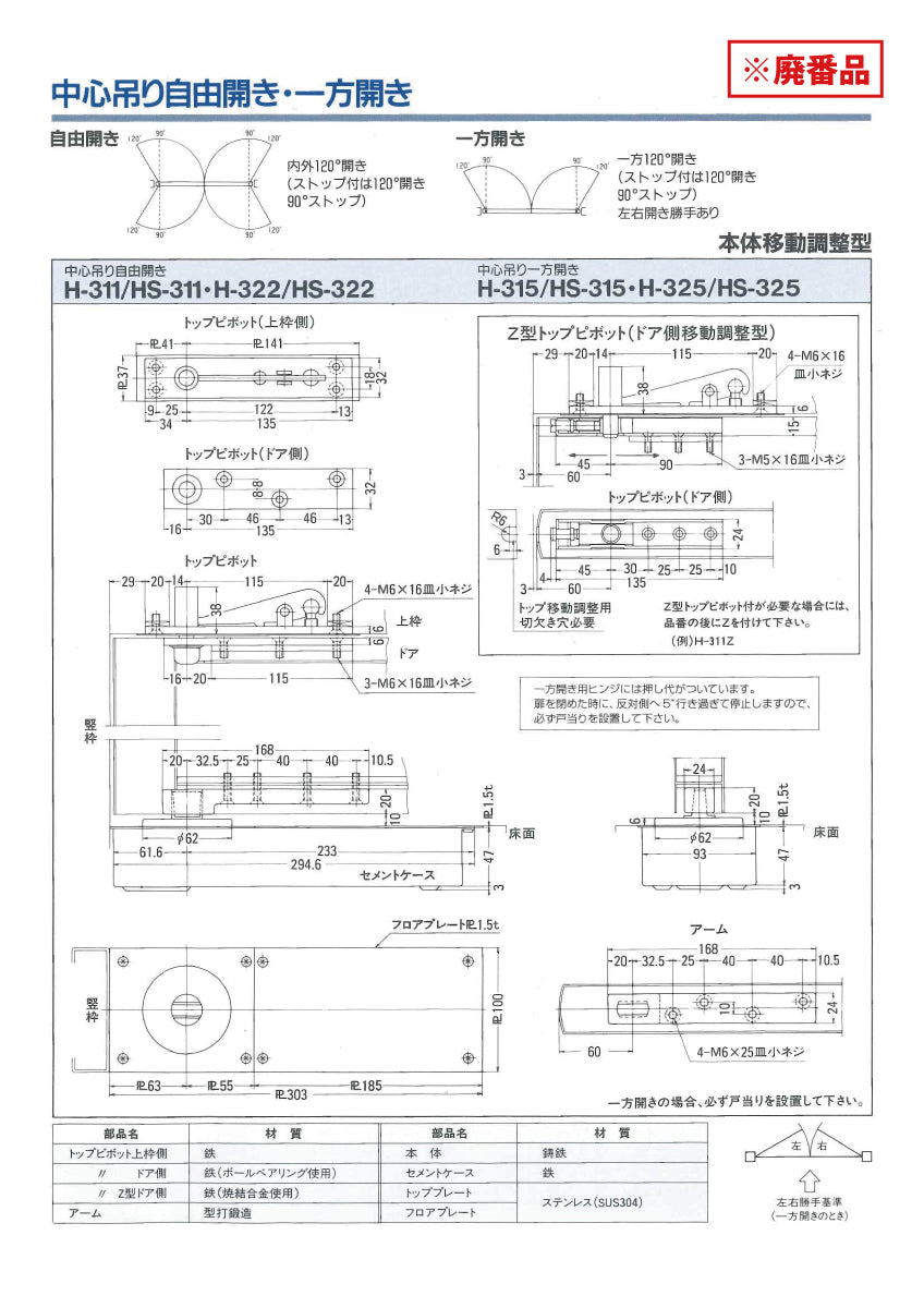
H-515CHD(H-315[廃番品]用 取替本体)
※廃番になったフロアヒンジのメンテナンス・取替用の 中身本体のみ です。 - 適用ドアの種類
- 一般ドア用
- 開閉様式
- 中心吊り・一方開き(最大開き角度:一方120°)
- ストップ機能
- ストップ無し
- 左右勝手
- 左右勝手有り(押し勝手)
ドアが閉じられた状態から押して開ける際に吊元がどちらにあるかで判断して下さい。
- 押して開けた際に吊元が右側 → 右勝手
- 押して開けた際に吊元が左側 → 左勝手
- 既設品のフロアプレート
- ※既設品の品番特定の際の参考にして下さい。
- 大プレート:サイズ 100×185、「H-315」の刻印あり。
- 小プレート:サイズ 100×118、
- 軸心:63mm
- セット内容
-
- 取替用本体CHD専用(金具付き) : 1台(※標準品及びCHCとは異なります。)
- ドア幅方向調整ネジ:十字穴付き六角ボルト (M6×30) 2本
- ドア幅方向調整ナット:六角ナット (M6並) 2個
- スパナ:5mm・6mm用 1個
- プレートビス:十字穴付き特皿小ネジ (M5×8 D=8) 8本
- 300取替専用取扱説明書:1部
[ 製品図面・納まり図 ]
- 廃番製品図面(※取替の際の参考にして下さい。)
-
- ピンチアウト(拡大)操作できます -
[ 仕様一覧表 ]
仕様一覧表「旧型・廃番フロアヒンジ 200・300シリーズ 一般ドア用」
- 横スクロールで閲覧できます -| 旧型・廃番品 (プレートの刻印) |
→ | メンテナンス用 取替品(交換・代替品) | |||||
|---|---|---|---|---|---|---|---|
| 本体のみ取替 の場合 (取替用中身本体) |
製品一式取替 の場合 (埋替品・斫り替え品) |
||||||
| ストップ無し | ストップ付き | ストップ無し | ストップ付き | ストップ無し | ストップ付き | ||
| 200シリーズ | 211 | S-211 | → | 211用 取替本体 | S-211用 取替本体 | H-511CHE | HS-511CHE |
| 222 | S-222 | 222用 取替本体 | S-222用 取替本体 | H-522CHE | HS-522CHE | ||
| H-211 | HS-211 | → | H-211用 取替本体 | HS-211用 取替本体 | H-511CHU | HS-511CHU | |
| H-222 | HS-222 | H-222用 取替本体 | HS-222用 取替本体 | H-522CHU | HS-522CHU | ||
| K-211 | KS-211 | → | K-211用 取替本体 | KS-211用 取替本体 | H-511CHK | HS-511CHK | |
| K-222 | KS-222 | K-222用 取替本体 | KS-222用 取替本体 | H-522CHK | HS-522CHK | ||
| 120 | 220 | → | 取替用本体は製造されていません。 右記の製品一式にて、お取替ください。 |
H-522CHG | HS-522CHG | ||
| 222CHA | S-222CHA | H-522CHG | HS-522CHG | ||||
| H-120 | H-220 | → | 取替用本体は製造されていません。 右記の製品一式にて、お取替ください。 |
H-522Z | HS-522Z | ||
| H-222CHB | HS-222CHB | H-522Z | HS-522Z | ||||
| 110 | 210 | → | 取替用本体は製造されていません。 右記の製品一式にて、お取替ください。 |
H-511CHF | HS-511CHF | ||
| H-110 | H-210 | H-511Z | HS-511Z | ||||
| K-110 | K-210 | → | 取替用本体は製造されていません。 右記の製品一式にて、お取替ください。 |
H-511CHK | HS-511CHK | ||
| K-120 | K-220 | H-522CHK | HS-522CHK | ||||
| 300シリーズ | H-311 | HS-311 | → | H-511CHD | HS-511CHD | H-511CHH | HS-511CHH |
| H-322 | HS-322 | H-522CHD | HS-522CHD | H-522CHH | HS-522CHH | ||
| H-315 | HS-315 | → | H-515CHD | HS-515CHD | H-515CHH | HS-515CHH | |
| H-325 | HS-325 | H-525CHD | HS-525CHD | H-525CHH | HS-525CHH | ||
| H-311CH | HS-311CH | → | H-511CHC | HS-511CHC | H-511CHF | HS-511CHF | |
| H-311U | HS-311U | → | 取替用本体は製造されていません。 右記の製品一式にて、お取替ください。 |
H-511 | HS-511 | ||
| H-322U | HS-322U | H-522 | HS-522 | ||||
| H-315U | HS-315U | → | H-515 | HS-515 | |||
| H-325U | HS-325U | H-525 | HS-525 | ||||
[ 関連リンク ]
ニュースターのフロアヒンジ一覧
ニュースターのカテゴリ一覧









ニュースター(NEWSTAR)
ドアクローザー
フロアヒンジ
引き戸クローザー
オートパワーヒンジ
ピボットヒンジ
その他
→ NEWSTAR(ニュースター)の 旧型(廃番品)フロアヒンジの交換品 一覧
→ ニュースター(NEWSTAR)のフロアヒンジ 仕様一覧表 はこちら
→ フロアヒンジの取替・交換品選定、お見積りサービス
一般ドア用
木製ドア用
強化ガラスドア用(テンパードア用)
防火ドア用
アクアヒンジ(簡易防水仕様)
防浸形フロアヒンジ(完全防水仕様)
旧型・廃番品
いわきエンジニアリング
大鳥機工
カツデン
シブタニ
ダイケン
長沢製作所
中西産業
日東工器
ニュースター
ハシダ技研
ホクシヨー
増田産業
マルキ
美和ロック
ユニオン
ヨコヅナ
リョービ