• 特設ページ一覧
  • 熱中症対策グッズ
  • 簡易型止水板
  • 引き戸クローザーのメンテンス部品お見積りサービス
  • まとめ買い割引
  • フロアヒンジの取替品選定・見積りサービス
  • 長沢製作所 キーレックス
  • ホクシヨー エアタイトゴム
  • ユニオン ドアハンドル・消火器ボックス
商品情報にスキップ
1 7

関連資料

[PDF]をクリックすると別タブでファイルを開きます。

  • NEWSTAR
  • 商品コード:ns 7014hz

90°・120°以上開かない機構のドアクローザー。取替・修理・交換用に。

ニュースター 角度制限付きドアクローザー 7014HZ-90/120 【スタンダード型, ストップ無し, GRADE1・7000シリーズ, Z型, NEWSTAR, ドアチェック】

ニュースター 角度制限付きドアクローザー 7014HZ-90/120 【スタンダード型, ストップ無し, GRADE1・7000シリーズ, Z型, NEWSTAR, ドアチェック】

制限角度を選ぶ
カラーを選ぶ
通常価格 ¥25,080
通常価格 セール価格 ¥25,080
セール 売り切れ
[税込]   配送料を確認

カートに追加する前に、必ず 「制限角度」「カラー」をご選択 下さい。

発送日目安

 - 

10日~2週間。

注文数量や時期によっては目安通りではない場合がございます。 またメーカー都合により、予告なく製造中止及び廃番になる場合もございます。 お急ぎの方はご注文前に直接お電話にてご確認ください。《 Tel. 092-402-1210

[PDF]をクリックすると別タブでファイルを開きます。

商品概要

商品分類
開き角度制限付きドアクローザー(ドアチェック)
メーカー・ブランド
NEWSTAR(NS, ニュースター, 日本ドアーチエック製造)
品番・型番
7014HZ-90 / 7014HZ-120【H型】(ホテル客室用)
シリーズ
GRADE1・7000シリーズ 【Z型】(開き角度:90°・120°制限付き)
機能・特徴
  • ホテルの客室などの天井が低く、標準アームが取付られない場所に使用。
  • 90°、又は120°以上開かない機構。
    ※120°制限用は、取付位置を変えれば、100°、110°制限に出来ます。
  • 種類が豊富な製品で様々なドア・枠形状に対応。
  • 開閉速度調整は、3バルブ方式。ドアを確実に閉鎖するラッチング機能付き。
  • 急な開放を制御するバックチェック(BC)機能を標準装備。
取付様式
スタンダード型
ストップ機能
ストップ無し
左右勝手
左右兼用タイプ。
本体を上下転倒し、閉扉速度調整バルブを吊元側に向けて使用して下さい。
適用ドア寸法
DW1050 × DH2400mm
ドア重量
85kg以下
カラー
  • シルバー(※標準色)【N-01】
  • バーントアンバー(ブロンズ)【N-52】
  • ブラック【N-31】
  • クリアグレー【N-62】
  • ホワイト【N-22】
  • アイボリーホワイト【N-04】
  • ゴールド【N-48】

商品について質問する

詳細を表示する

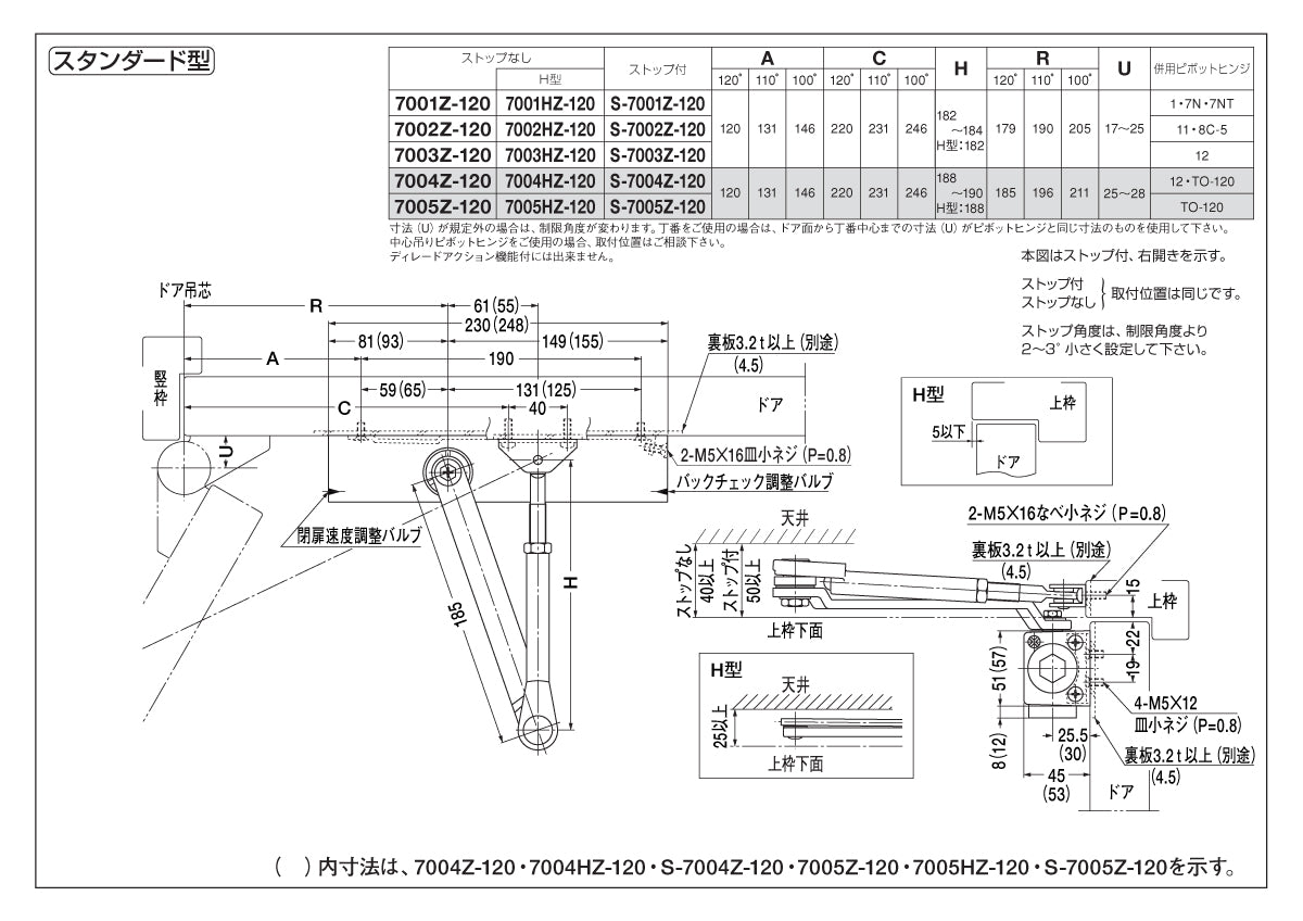
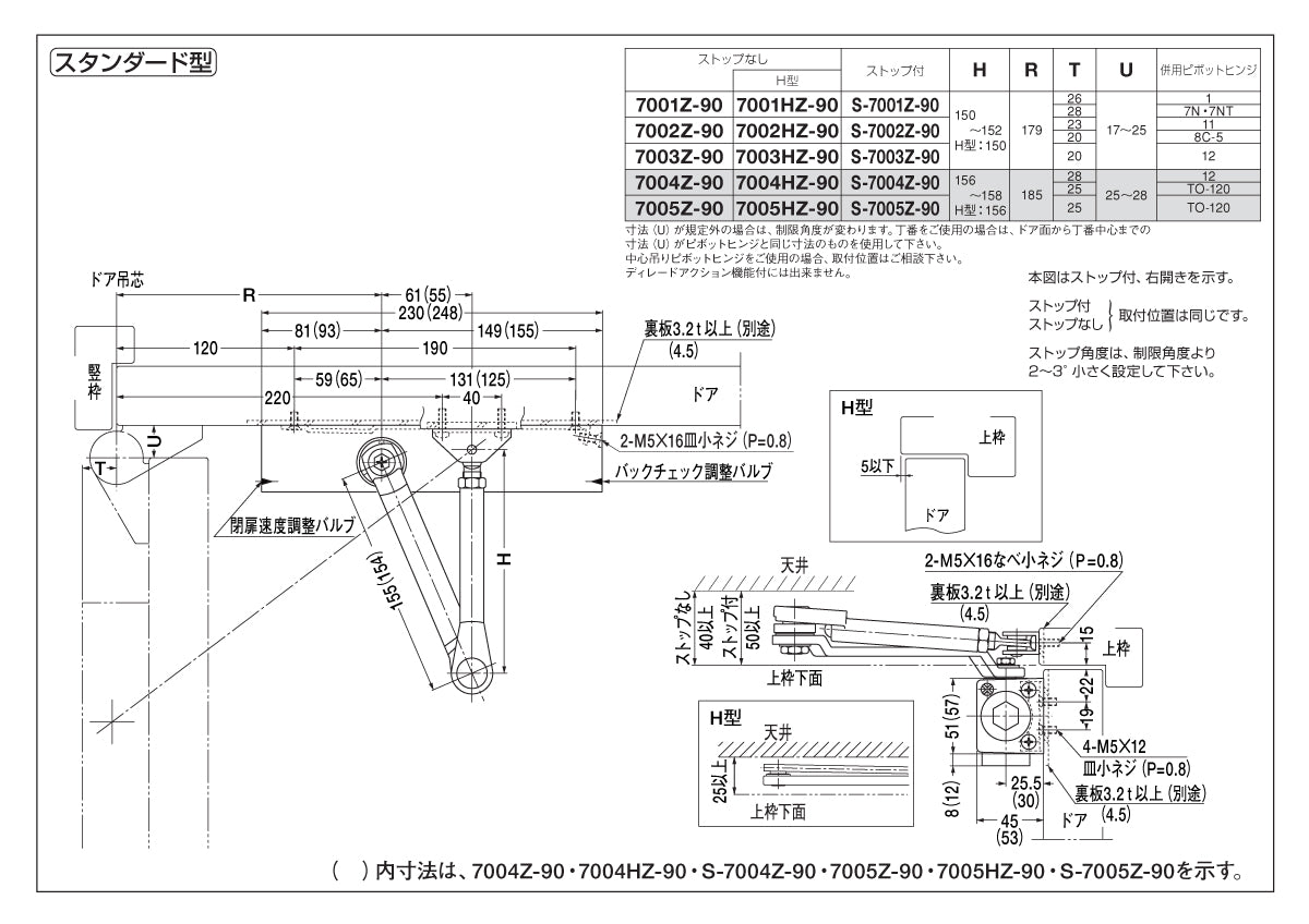
[ 製品図面・納まり図 ]

  • - ピンチアウト(拡大)操作できます - 納まり図・図面
    納まり図・図面

[ 製品仕様・特徴 ]

  • カタログ(7000シリーズ【Z型】)
  • - ピンチアウト(拡大)操作できます -

[ 仕様一覧表 ]

- 仕様一覧表(標準ブラケット標準アーム)

- 横スクロールで表示できます -
番手 スタンダード型 パラレル型 ドア適用
ストップ無し ストップ付き ストップ無し ストップ付き 寸法(W×Hmm) 重量(kg以下)
7011Z-90/120 S-7011Z-90/120 P-7011Z-90/120 PS-7011Z-90/120 800×1800 30
7012Z-90/120 S-7012Z-90/120 P-7012Z-90/120 PS-7012Z-90/120 900×2100 45
7013Z-90/120 S-7013Z-90/120 P-7013Z-90/120 PS-7013Z-90/120 950×2100 65
7014Z-90/120 S-7014Z-90/120 P-7014Z-90/120 PS-7014Z-90/120 1050×2400 85
7015Z-90/120 S-7015Z-90/120 P-7015Z-90/120 PS-7015Z-90/120 1200×2400 120
  • 枠・扉の形状に合わせて、★印のドアクローザーには、ブラケット・アームのバリエーションが設定されています。
    下記一覧表より商品ページへとお進み、詳細ご確認下さい。

- ブラケット・アームのバリエーション一覧

- 横スクロールで表示できます -