特設ページ
- NEWSTAR
- 商品コード:ns 7015z
90°・120°以上開かない機構のドアクローザー。取替・修理・交換用に。
ニュースター 角度制限付きドアクローザー 7015Z-90/120 【スタンダード型, ストップ無し, GRADE1・7000シリーズ, Z型, NEWSTAR, ドアチェック】
ニュースター 角度制限付きドアクローザー 7015Z-90/120 【スタンダード型, ストップ無し, GRADE1・7000シリーズ, Z型, NEWSTAR, ドアチェック】
カートに追加する前に、必ず 「制限角度」「カラー」をご選択 下さい。
商品概要
- 商品分類
- 開き角度制限付きドアクローザー(ドアチェック)
- メーカー・ブランド
- NEWSTAR(NS, ニュースター, 日本ドアーチエック製造)
- 品番・型番
- 7015Z-90 / 7015Z-120
- シリーズ
- GRADE1・7000シリーズ 【Z型】(開き角度:90°・120°制限付き)
- 機能・特徴
-
- 90°、又は120°以上開かない機構。
※120°制限用は、取付位置を変えれば、100°、110°制限に出来ます。 - 種類が豊富な製品で様々なドア・枠形状に対応。
- 開閉速度調整は、3バルブ方式。ドアを確実に閉鎖するラッチング機能付き。
- 急な開放を制御するバックチェック(BC)機能を標準装備。
- 90°、又は120°以上開かない機構。
- 取付様式
- スタンダード型
- ストップ機能
- ストップ無し
- 左右勝手
- 左右兼用タイプ。
本体を上下転倒し、閉扉速度調整バルブを吊元側に向けて使用して下さい。 - 適用ドア寸法
- DW1200 × DH2400mm
- ドア重量
- 120kg以下
- カラー
-
- シルバー(※標準色)【N-01】
- バーントアンバー(ブロンズ)【N-52】
- ブラック【N-31】
- クリアグレー【N-62】
- ホワイト【N-22】
- アイボリーホワイト【N-04】
- ゴールド【N-48】
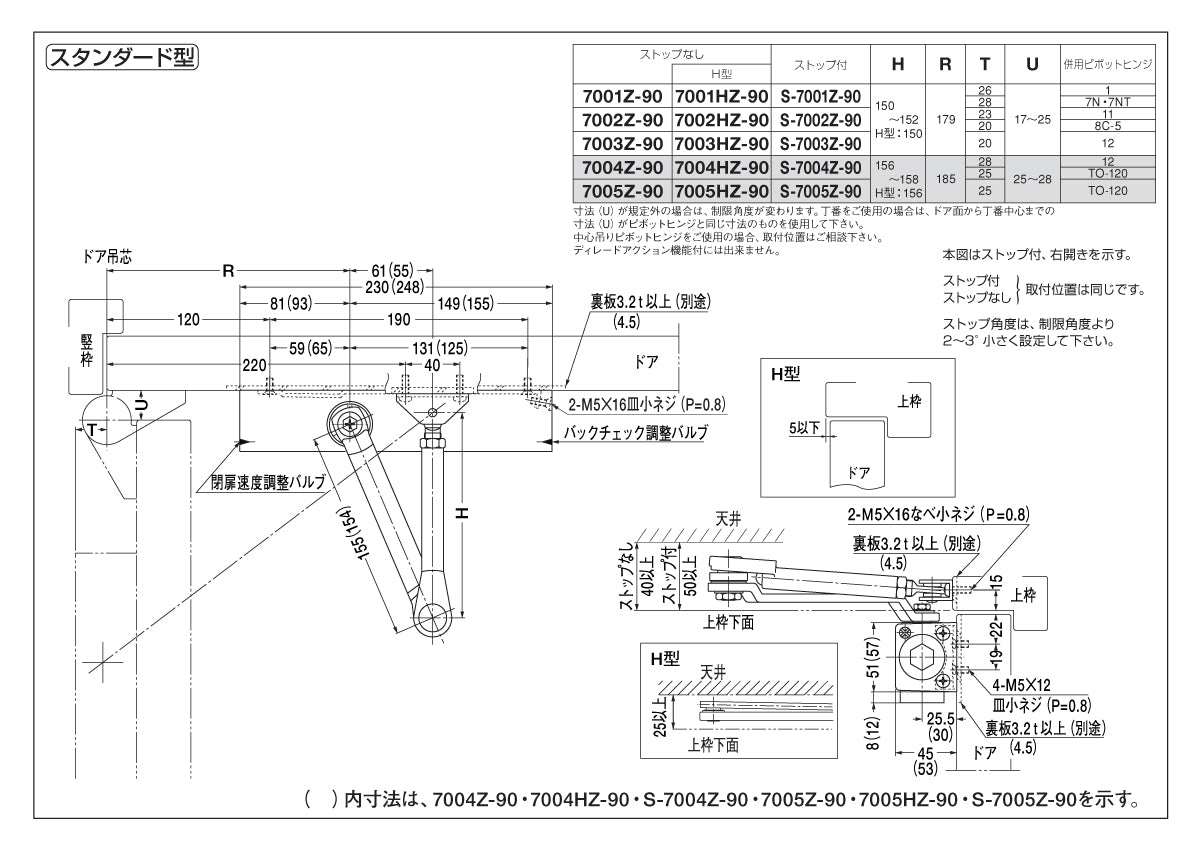
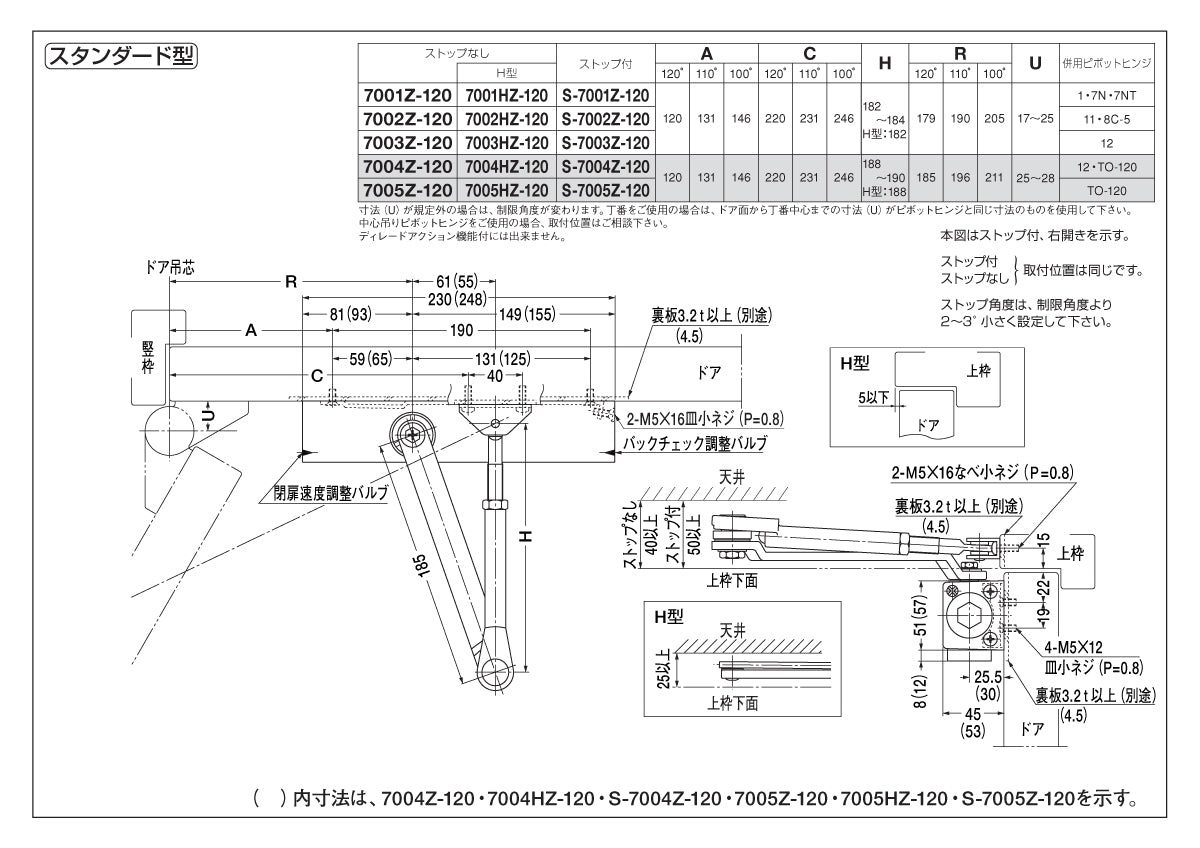
[ 製品図面・納まり図 ]
-
- ピンチアウト(拡大)操作できます -
[ 製品仕様・特徴 ]
- カタログ(7000シリーズ【Z型】)
-
- ピンチアウト(拡大)操作できます -
[ 仕様一覧表 ]
- 仕様一覧表(標準ブラケット標準アーム)
- 横スクロールで表示できます -番手 | スタンダード型 | パラレル型 | ドア適用 | |||
---|---|---|---|---|---|---|
ストップ無し | ストップ付き | ストップ無し | ストップ付き | 寸法(W×Hmm) | 重量(kg以下) | |
① | ★ 7011Z-90/120 | S-7011Z-90/120 | ★ P-7011Z-90/120 | ★ PS-7011Z-90/120 | 800×1800 | 30 |
② | ★ 7012Z-90/120 | S-7012Z-90/120 | ★ P-7012Z-90/120 | ★ PS-7012Z-90/120 | 900×2100 | 45 |
③ | ★ 7013Z-90/120 | S-7013Z-90/120 | ★ P-7013Z-90/120 | ★ PS-7013Z-90/120 | 950×2100 | 65 |
④ | ★ 7014Z-90/120 | S-7014Z-90/120 | ★ P-7014Z-90/120 | ★ PS-7014Z-90/120 | 1050×2400 | 85 |
⑤ | ★ 7015Z-90/120 | S-7015Z-90/120 | ★ P-7015Z-90/120 | ★ PS-7015Z-90/120 | 1200×2400 | 120 |
- 枠・扉の形状に合わせて、★印のドアクローザーには、ブラケット・アームのバリエーションが設定されています。
下記一覧表より商品ページへとお進み、詳細ご確認下さい。
- ブラケット・アームのバリエーション一覧
- 横スクロールで表示できます -番手 | |||||||||
---|---|---|---|---|---|---|---|---|---|
① | ② | ③ | ④ | ⑤ | |||||
スタンダード型 | ストップ無し | H型(ホテル客室用) | 7011HZ-90/120 | 7012HZ-90/120 | 7013HZ-90/120 | 7014HZ-90/120 | 7015HZ-90/120 | ||
パラレル型 | ストップ無し | アングルブラケット | P-7011LZ-90/120 | P-7012LZ-90/120 | P-7013LZ-90/120 | P-7014LZ-90/120 | P-7015LZ-90/120 | ||
段付きブラケット | P-7011AZ-90/120 | P-7012AZ-90/120 | P-7013AZ-90/120 | P-7014AZ-90/120 | P-7015AZ-90/120 | ||||
エアタイトドア用 | AP-7011Z-90/120 | AP-7012Z-90/120 | AP-7013Z-90/120 | AP-7014Z-90/120 | AP-7015Z-90/120 | ||||
ストップ付き | アングルブラケット | PS-7011LZ-90/120 | PS-7012LZ-90/120 | PS-7013LZ-90/120 | PS-7014LZ-90/120 | PS-7015LZ-90/120 | |||
段付きブラケット | PS-7011AZ-90/120 | PS-7012AZ-90/120 | PS-7013AZ-90/120 | PS-7014AZ-90/120 | PS-7015AZ-90/120 | ||||
エアタイトドア用 | APS-701Z-90/120 | APS-7012Z-90/120 | APS-7013Z-90/120 | APS-7014Z-90/120 | APS-7015Z-90/120 |






