特設ページ
- NEWSTAR
- 商品コード:ns ps-703
アンティーク調を演出するのに最適。取替・修理・交換用に。
ニュースター ドアクローザー PS-703 【ストップ付き, パラレル型, 700シリーズ, NEWSTAR, ドアチェック】
ニュースター ドアクローザー PS-703 【ストップ付き, パラレル型, 700シリーズ, NEWSTAR, ドアチェック】
商品概要
- 商品分類
- ドアクローザー(ドアチェック)
- メーカー・ブランド
- NEWSTAR(NS, ニュースター, 日本ドアーチエック製造)
- 品番・型番
- PS-703
- シリーズ
- 700シリーズ
- 機能・特徴
-
- 頑強なボディーと高性能なスプリングにより高開閉効率。
- アンディーク調を演出するのに最適。
- 開閉速度調整は、2バルブ方式。
- ドアを確実に閉鎖するラッチング機能付き。(ラッチング角度は、調整可能。)
- 開き角度:180°
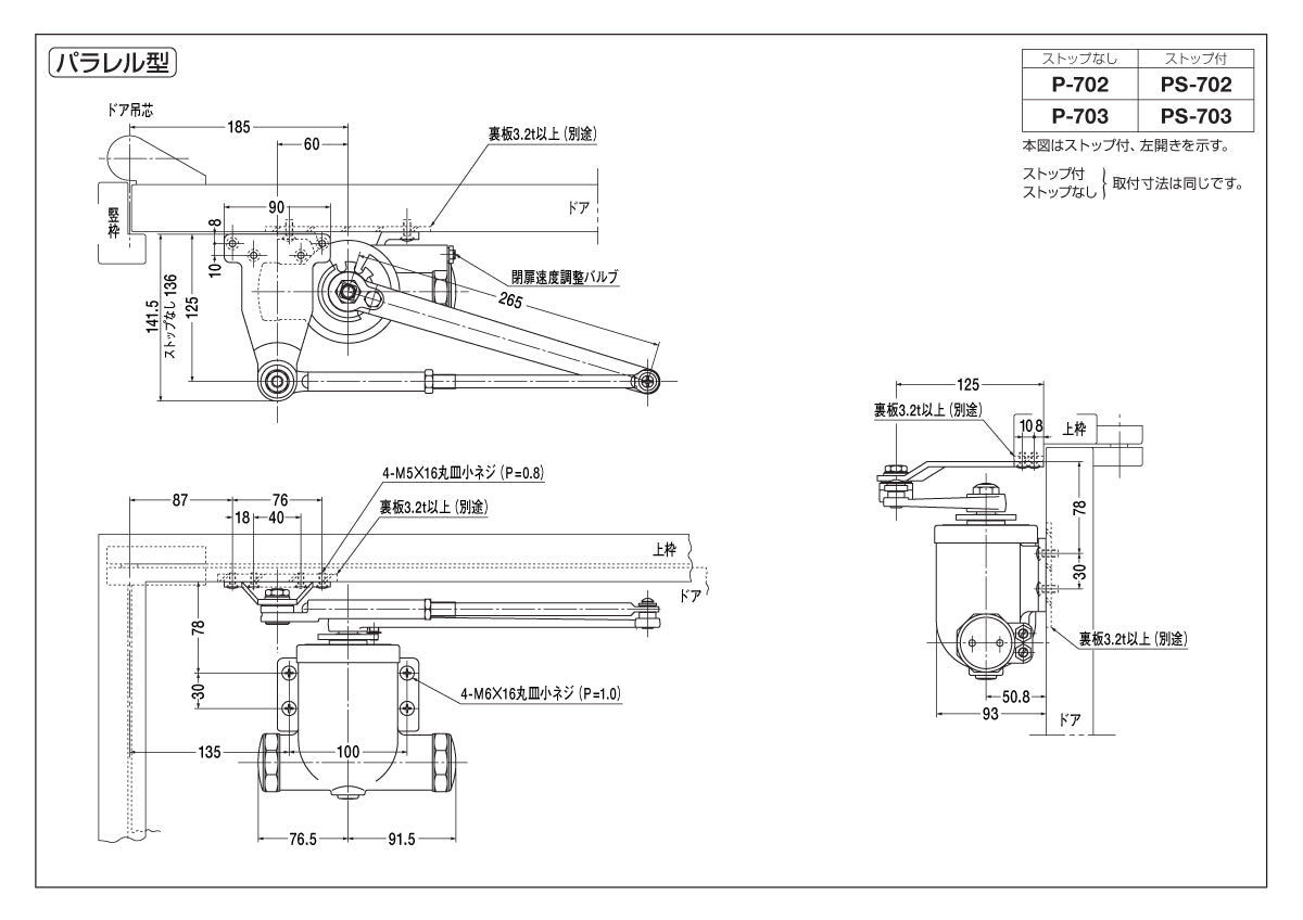
- 取付様式
- パラレル型
- ストップ機能
- ストップ付き
(ストップ角度:70°~180°の任意の角度に設定可能です。) - 左右勝手
- 左右兼用タイプ。
開き勝手により、アーム差し込み方向が変わります。 - 適用ドア寸法
- DW950 × DH2100mm
- ドア重量
- 65kg以下
- カラー
- アンティークブロンズ
[ 製品図面・納まり図 ]
-
- ピンチアウト(拡大)操作できます -
[ 製品仕様・特徴 ]
- カタログ(700シリーズ)
-
- ピンチアウト(拡大)操作できます -
[ 仕様一覧表 ]









ニュースター(NEWSTAR)
ドアクローザー
フロアヒンジ
引き戸クローザー
オートパワーヒンジ
ピボットヒンジ
その他
→ NEWSTAR(ニュースター)の ドアクローザー 一覧
7000シリーズ
80シリーズ
温度ヒューズ付き(防火ドア用)
700シリーズ
BLシリーズ
2000シリーズ
3000シリーズ
5000シリーズ
MTCシリーズ
コンシールドタイプ
いわきエンジニアリング
大鳥機工
カツデン
シブタニ
ダイケン
長沢製作所
中西産業
日東工器
ニュースター
ハシダ技研
ホクシヨー
増田産業
マルキ
美和ロック
ユニオン
ヨコヅナ
リョービ