特設ページ
- NEWSTAR
- 商品コード:ns s-703
アンティーク調を演出するのに最適。取替・修理・交換用に。
ニュースター ドアクローザー S-703 【ストップ付き, スタンダード型, 700シリーズ, NEWSTAR, ドアチェック】
ニュースター ドアクローザー S-703 【ストップ付き, スタンダード型, 700シリーズ, NEWSTAR, ドアチェック】
商品概要
- 商品分類
- ドアクローザー(ドアチェック)
- メーカー・ブランド
- NEWSTAR(NS, ニュースター, 日本ドアーチエック製造)
- 品番・型番
- S-703
- シリーズ
- 700シリーズ
- 機能・特徴
-
- 頑強なボディーと高性能なスプリングにより高開閉効率。
- アンディーク調を演出するのに最適。
- 開閉速度調整は、2バルブ方式。
- ドアを確実に閉鎖するラッチング機能付き。(ラッチング角度は、調整可能。)
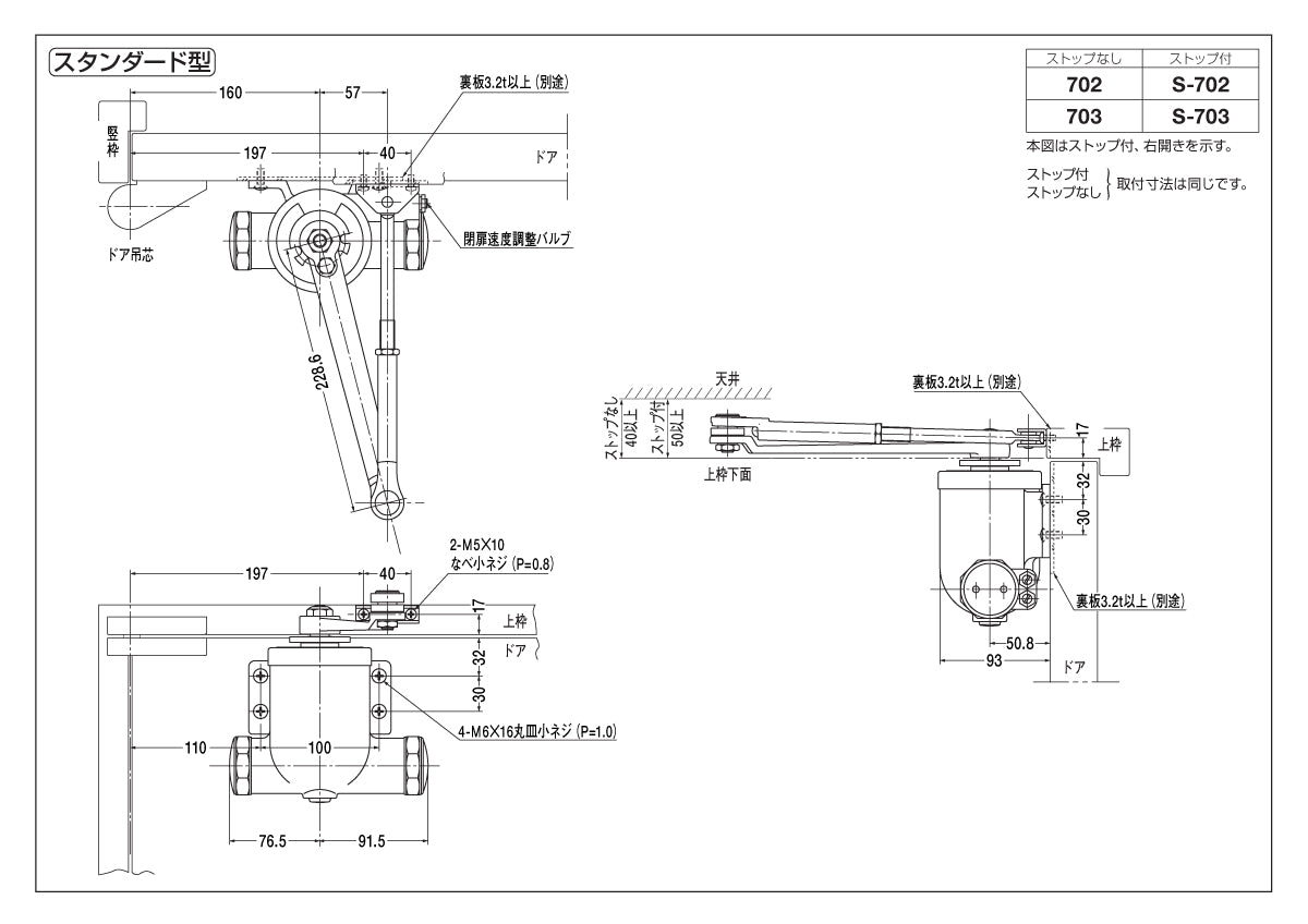
- 開き角度:90°
- 取付様式
- スタンダード型
- ストップ機能
- ストップ付き
(ストップ角度:70°~90°の任意の角度に設定可能。) - 左右勝手
- 左右兼用タイプ。
開き勝手により、アーム差し込み方向が変わります。 - 適用ドア寸法
- DW950 × DH2100mm
- ドア重量
- 65kg以下
- カラー
- アンティークブロンズ
[ 製品図面・納まり図 ]
-
- ピンチアウト(拡大)操作できます -
[ 製品仕様・特徴 ]
- カタログ(700シリーズ)
-
- ピンチアウト(拡大)操作できます -
[ 仕様一覧表 ]




