- 関連カテゴリ:
- 80シリーズ
- 80シリーズ - Z型
- ニュースター
- ドアクローザー
特設ページ
- NEWSTAR
- 商品コード:ns p-185z
90°・120°以上開かない機構のドアクローザー。取替・修理・交換用に。
ニュースター 角度制限付きドアクローザー P-185Z-90/120 【パラレル型, ストップ付き, 80シリーズ, Z型, NEWSTAR, ドアチェック】
ニュースター 角度制限付きドアクローザー P-185Z-90/120 【パラレル型, ストップ付き, 80シリーズ, Z型, NEWSTAR, ドアチェック】
カートに追加する前に、必ず 「制限角度」「カラー」をご選択 下さい。
商品概要
- 商品分類
- 開き角度制限付きドアクローザー(ドアチェック)
- メーカー・ブランド
- NEWSTAR(NS, ニュースター, 日本ドアーチエック製造)
- 品番・型番
- P-185Z-90 / P-185Z-120
- シリーズ
- 80シリーズ 【Z型】(開き角度:90°・120°制限付き)
- 機能・特徴
-
- 90°、又は120°以上開かない機構。
※120°制限用は、取付位置を変えれば、100°、110°制限に出来ます。 - 急な開放を制御するバックチェック(BC)機能を標準装備。
- 90°、又は120°以上開かない機構。
- 取付様式
- パラレル型
- ストップ機能
- ストップ付き
- 左右勝手
- 左右勝手兼用。
- 適用ドア寸法
- DW1200 × DH2400mm
- ドア重量
- 120kg以下
- カラー
-
- シルバー(※標準色)【N-01】
- バーントアンバー(ブロンズ)【N-52】
- ブラック【N-31】
- クリアグレー【N-62】
- ホワイト【N-22】
- アイボリーホワイト【N-04】
- ゴールド【N-48】
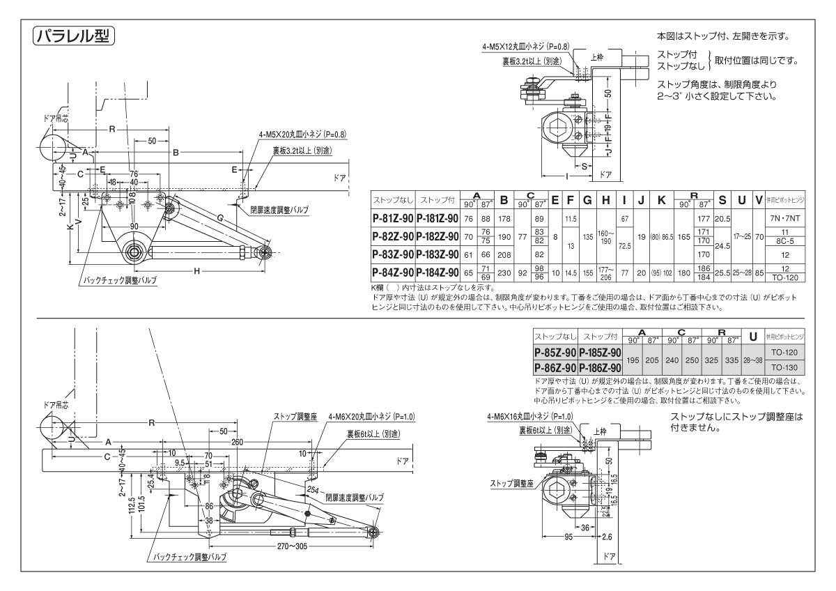
[ 製品図面・納まり図 ]
-
- ピンチアウト(拡大)操作できます -
[ 製品仕様・特徴 ]
- カタログ(80シリーズ【Z型】)
-
- ピンチアウト(拡大)操作できます -
[ 仕様一覧表 ]
- 仕様一覧表(標準ブラケット標準アーム)
- 横スクロールで表示できます -番手 | スタンダード型 | パラレル型 | ドア適用 | |||
---|---|---|---|---|---|---|
ストップ無し | ストップ付き | ストップ無し | ストップ付き | 寸法(W×Hmm) | 重量(kg以下) | |
① | 81Z-90/120 | 181Z-90/120 | P-81Z-90/120 | P-181Z-90/120 | 800×1800 | 30 |
② | 82Z-90/120 | 182Z-90/120 | P-82Z-90/120 | P-182Z-90/120 | 900×2100 | 45 |
③ | 83Z-90/120 | 183Z-90/120 | P-83Z-90/120 | P-183Z-90/120 | 950×2100 | 65 |
④ | 84Z-90/120 | 184Z-90/120 | P-84Z-90/120 | P-184Z-90/120 | 1050×2400 | 85 |
⑤ | 85Z-90/120 | 185Z-90/120 | P-85Z-90/120 | P-185Z-90/120 | 1200×2400 | 120 |
⑥ | 86Z-90/120 | 186Z-90/120 | P-86Z-90/120 | P-186Z-90/120 | 1800×2700 | 180 |





