特設ページ
- NEWSTAR
- 商品コード:ns hs-511chp hs-211p
旧型(廃番品)の取替・修理・交換・埋替・斫り替え用に。
ニュースター フロアヒンジ HS-511CHP【廃番品「HS-211P」からの埋替品・斫り替え品, 強化ガラスドア用, 中心吊り, 自由開き, ストップ付き, NEWSTAR】
ニュースター フロアヒンジ HS-511CHP【廃番品「HS-211P」からの埋替品・斫り替え品, 強化ガラスドア用, 中心吊り, 自由開き, ストップ付き, NEWSTAR】
商品概要
- 商品分類
- 旧型フロアヒンジ(廃番品)の埋替品・斫り替え品
- メーカー・ブランド
- NEWSTAR (NS, ニュースター, 日本ドアーチェック製造)
- 品番
- HS-511CHP(廃番品「HS-211P」からの埋替品・斫り替え品)
- 機能・特徴
- セメントケース・フロアプレート・中身本体・アーム・トップピボットを全て含んだ埋め替えセット品です。
- 適用ドアの種類
- 強化ガラスドア用
- 開閉様式
- 中心吊り・自由開き(最大開き角度:内外120°)
- ストップ機能
- ストップ付き(ストップ角度:90°)
- 左右勝手
- 共通
- 既設品プレート寸法
-
※既設品の品番特定の際の参考にしてください。
- 大プレート:サイズ 146×205mm、「HS-211P」の刻印あり。
- 小プレート:サイズ 146×114mm
- 軸心:74mm
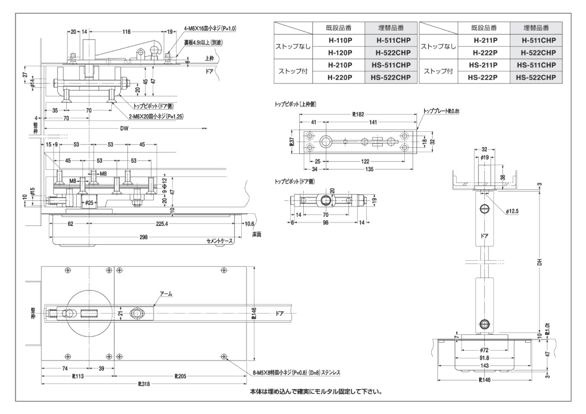
[ 製品図面・納まり図 ]
- 製品図面
-
- ピンチアウト(拡大)操作できます -
[ 製品仕様・特徴 ]
- フロアヒンジ「200・300シリーズ」交換要領
-
- ピンチアウト(拡大)操作できます -
[ 関連リンク ]
ニュースターのフロアヒンジ一覧
ニュースターのカテゴリ一覧



