- 関連カテゴリ:
- 7000シリーズ
- 7000シリーズ【GRADE1仕様】
- ニュースター
- ドアクローザー
特設ページ
- NEWSTAR
- 商品コード:ns s-7011
バックチェック機能を標準装備。開閉効率が優れたGRADE1シリーズ。
ニュースター ドアクローザー S-7011 【スタンダード型, ストップ付き, GRADE1・7000シリーズ, NEWSTAR, ドアチェック】
ニュースター ドアクローザー S-7011 【スタンダード型, ストップ付き, GRADE1・7000シリーズ, NEWSTAR, ドアチェック】
カートに追加する前に、必ず 「カラー」をご選択 下さい。
商品概要
- 商品分類
- ドアクローザー(ドアチェック)
- メーカー・ブランド
- NEWSTAR(NS, ニュースター, 日本ドアーチエック製造)
- 品番・型番
- S-7011
- シリーズ
- GRADE1・7000シリーズ
- 機能・特徴
-
- シャープなデザインでコンパクト設計。取付ネジが露出しないので外観がスッキリします。
- 種類が豊富な製品で様々なドア・枠形状に対応。
- #7011〜#7013、#7014・#7015 は、それぞれ取付板が共通です。
- 開閉速度調整は、3バルブ方式。ドアを確実に閉鎖するラッチング機能付き。
- GRADE2規格品より、開閉効率が優れています。
- 耐久性能は、50万回をクリア。
- 急な開放を制御するバックチェック(BC)機能を標準装備。
- オプションで、ディレードアクション(DA)機能付き の設定も可能です。
- 取付様式
- スタンダード型
- ストップ機能
- ストップ付き
- 左右勝手
- 左右兼用タイプ。
本体を上下転倒し、閉扉速度調整バルブを吊元側に向けて使用して下さい。 - 適用ドア寸法
- DW800 × DH1800mm
- ドア重量
- 30kg以下
- カラー
-
- シルバー(※標準色)【N-01】
- バーントアンバー(ブロンズ)【N-52】
- ブラック【N-31】
- クリアグレー【N-62】
- ホワイト【N-22】
- アイボリーホワイト【N-04】
- ゴールド【N-48】
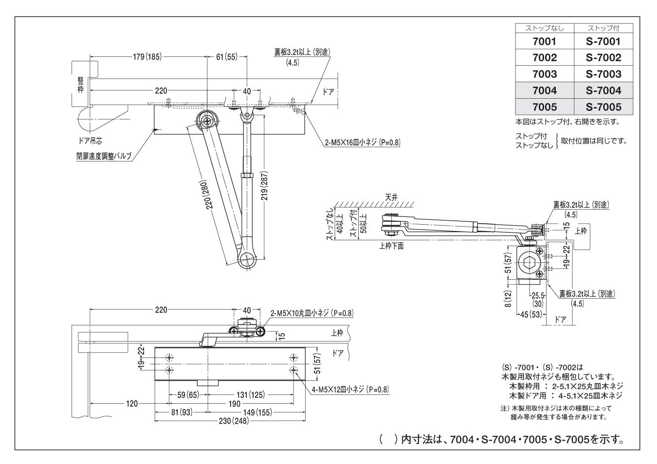
[ 製品図面・納まり図 ]
-
- ピンチアウト(拡大)操作できます -
[ 製品仕様・特徴 ]
- カタログ(GRADE1・7000シリーズ)
-
- ピンチアウト(拡大)操作できます -
[ 仕様一覧表 ]
- 仕様一覧表(標準ブラケット標準アーム)
- 横スクロールで表示できます -番手 | スタンダード型 | パラレル型 | ドア適用 | |||
---|---|---|---|---|---|---|
ストップ無し | ストップ付き | ストップ無し | ストップ付き | 寸法(W×Hmm) | 重量(kg以下) | |
① | 7011 | S-7011 | ★ P-7011 | ★ PS-7011 | 800×1800 | 30 |
② | 7012 | S-7012 | ★ P-7012 | ★ PS-7012 | 900×2100 | 45 |
③ | 7013 | S-7013 | ★ P-7013 | ★ PS-7013 | 950×2100 | 65 |
④ | 7014 | S-7014 | ★ P-7014 | ★ PS-7014 | 1050×2400 | 85 |
⑤ | 7015 | S-7015 | ★ P-7015 | ★ PS-7015 | 1200×2400 | 120 |
- 枠・扉の形状に合わせて、★印のドアクローザーには、ブラケット・アームのバリエーションが設定されています。
下記一覧表より商品ページへとお進み、詳細ご確認下さい。
- ブラケット・アームのバリエーション一覧
- 横スクロールで表示できます -番手 | |||||||
---|---|---|---|---|---|---|---|
① | ② | ③ | ④ | ⑤ | |||
パラレル型 | ストップ無し | アングルブラケット | P-7011L | P-7012L | P-7013L | P-7014L | P-7015L |
段付きブラケット | P-7011A | P-7012A | P-7013A | P-7014A | P-7015A | ||
段付きアーム | P-7011K | P-7012K | P-7013K | P-7014K | P-7015K | ||
段付きブラケット 段付きアーム |
P-7011AK | P-7012AK | P-7013AK | P-7014AK | P-7015AK | ||
段付きアーム アングルブラケット |
P-7011KL | P-7012KL | P-7013KL | ― | ― | ||
エアタイトドア用 | AP-7011 | AP-7012 | AP-7013 | AP-7014 | AP-7015 | ||
ストップ付き | アングルブラケット | PS-7011L | PS-7012L | PS-7013L | PS-7014L | PS-7015L | |
段付きブラケット | PS-7011A | PS-7012A | PS-7013A | PS-7014A | PS-7015A | ||
段付きアーム | PS-7011K | PS-7012K | PS-7013K | PS-7014K | PS-7015K | ||
段付きブラケット 段付きアーム |
PS-7011AK | PS-7012AK | PS-7013AK | PS-7014AK | PS-7015AK | ||
段付きアーム アングルブラケット |
PS-7011KL | PS-7012KL | PS-7013KL | ー | ー | ||
エアタイトドア用 | APS-7011 | APS-7012 | APS-7013 | APS-7014 | APS-7015 | ||
防火ドア用 | PCS-7011 | PCS-7012 | PCS-7013 | ー | ー |





