- 関連カテゴリ:
- 80シリーズ
- 温度ヒューズ付き(防火ドア用)
- ニュースター
- ドアクローザー
特設ページ
- NEWSTAR
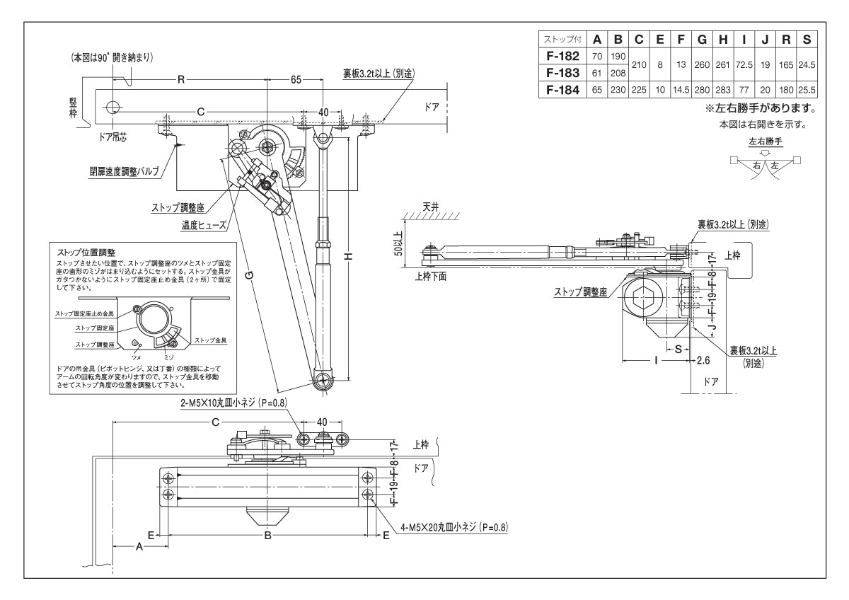
- 商品コード:ns f-183
防火ドア用ドアクローザー。取替・修理・交換用として。
ニュースター 温度ヒューズ付きドアクローザー F-183 【スタンダード型, ストップ付き, 80シリーズ, NEWSTAR, ドアチェック】
ニュースター 温度ヒューズ付きドアクローザー F-183 【スタンダード型, ストップ付き, 80シリーズ, NEWSTAR, ドアチェック】
カートに追加する前に、必ず 「左右勝手」「カラー」をご選択 下さい。
商品概要
- 商品分類
- ドアクローザー(ドアチェック)
- メーカー・ブランド
- NEWSTAR(NS, ニュースター, 日本ドアーチェック製造)
- 品番・型番
- F-183
- シリーズ
- 80シリーズ 【温度ヒューズ付き(防火ドア用)】
- 機能・特徴
- 温度ヒューズ付ドアクローザは平常時、防火ドアを通路の壁際に開放保持します。
火災が発生した場合、ドアクローザの温度ヒューズが、熱によって溶け、開放保持金具が外れ、ドアクローザの自閉力の働きにより、ドアを閉鎖します。 - 取付様式
- スタンダード型
- ストップ機能
- ストップ付き(ストップ角度:120°まで設定可能。)
- 左右勝手
- 左右勝手あり。
※ドアが閉じられた状態から押して開ける際に吊元がどちらにあるかで判断して下さい。
- ドアを押して右に開く(吊元が右側)場合 → 右勝手
- ドアを押して左に開く(吊元が左側)場合 → 左勝手
- 適用ドア寸法
- DW950 × DH2100mm
- ドア重量
- 65kg以下
- カラー
-
- シルバー(※標準色)【N-01】
- バーントアンバー(ブロンズ)【N-52】
- ブラック【N-31】
- クリアグレー【N-62】
- ホワイト【N-22】
- アイボリーホワイト【N-04】
- ゴールド【N-48】
[ 製品図面・納まり図 ]
-
- ピンチアウト(拡大)操作できます -
[ 製品仕様・特徴 ]
- カタログ(80シリーズ・温度ヒューズ付き)
-
- ピンチアウト(拡大)操作できます -
[ 仕様一覧表 ]





