- 関連カテゴリ:
- 7000シリーズ
- 7000シリーズ - H型
- 7000シリーズ【標準仕様】
- ニュースター
- ドアクローザー
特設ページ
- NEWSTAR
- 商品コード:ns 7004h
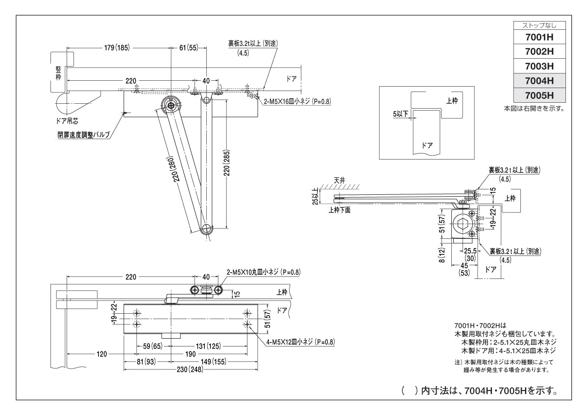
天井が低く標準アームが取付られない場所に使用。取替・修理・交換用に。
ニュースター ドアクローザー 7004H(ホテル客室用) 【スタンダード型, ストップ無し, 7000シリーズ, H型, NEWSTAR, ドアチェック】
ニュースター ドアクローザー 7004H(ホテル客室用) 【スタンダード型, ストップ無し, 7000シリーズ, H型, NEWSTAR, ドアチェック】
カートに追加する前に、必ず 「カラー」をご選択 下さい。
商品概要
- 商品分類
- ドアクローザー(ドアチェック)
- メーカー・ブランド
- NEWSTAR(NS, ニュースター, 日本ドアーチエック製造)
- 品番・型番
- 7004H
- シリーズ
- 7000シリーズ 【H型】(ホテル客室用)
- 機能・特徴
- ホテルの客室などの天井が低く、標準アームが取付られない場所に使用。
- 取付様式
- スタンダード型
- ストップ機能
- ストップ無し
- 左右勝手
- 左右兼用タイプ。
本体を上下転倒し、閉扉速度調整バルブを吊元側に向けて使用して下さい。 - 適用ドア寸法
- DW1050 × DH2400mm
- ドア重量
- 85kg以下
- カラー
-
- シルバー(※標準色)【N-01】
- バーントアンバー(ブロンズ)【N-52】
- ブラック【N-31】
- クリアグレー【N-62】
- ホワイト【N-22】
- アイボリーホワイト【N-04】
- ゴールド【N-48】
[ 製品図面・納まり図 ]
-
- ピンチアウト(拡大)操作できます -
[ 製品仕様・特徴 ]
- カタログ(7000シリーズ【H型】)
-
- ピンチアウト(拡大)操作できます -
[ 仕様一覧表 ]





