- SYS
- 商品コード:sys rzm-80
様々な種類の建築金物を取り扱っているメーカーの商品です。取替・修理・交換用に。
シブタニ 上吊引戸金具セット RZM-80【扉重量:80kg以下用, リズム, 引戸クローザー, ハードウェア金物, SYS, Shibutani】
シブタニ 上吊引戸金具セット RZM-80【扉重量:80kg以下用, リズム, 引戸クローザー, ハードウェア金物, SYS, Shibutani】
カートに追加する前に、必ず 「左右勝手」をご選択 下さい。
商品概要
- 商品分類
- 引き戸クローザー(スライディングクローザー)
- メーカー・ブランド
- シブタニ(SYS, Shibutani)
- 品番・型番
- リズム RZM-80
- 機能・特徴
-
- シンプルな機構から、作動の確実性が得られ、故障の心配が有りません。
- レールが水平な為、上吊車の高さ調整が不要です。また扉のせり上がりがありません
- 上吊引き戸ですので、フロアーにレールの取付をを必要とせず、部屋の出入りに障害となるものがありません。
- 引戸クローザーの使用により、扉が自動で閉止します。
- 左右勝手
-
左右勝手あり(引き勝手)
※点検口側から見て、扉を閉じた状態からどちらに引いて開けるかで勝手が決まります。
- 右に引いて開ける → 右勝手
- 左に引いて開ける → 左勝手
- 最小ドア幅寸法
- 840mm
- 最大ドア幅寸法
- 1450mm
- 最大扉重量
- 80kg
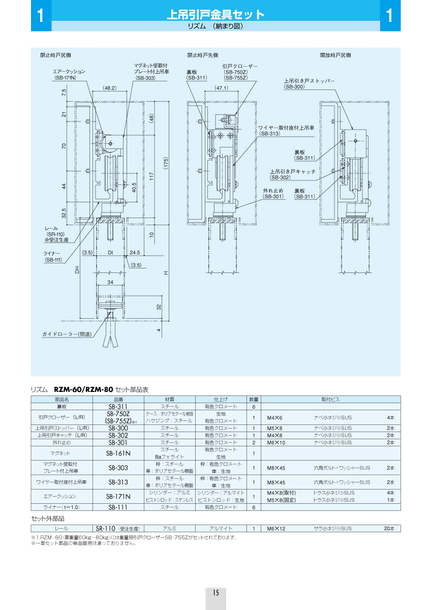
- セット内容
-
- 裏板「SB-311」 … 6枚
- 引戸クローザー「SB-755Z」 … 1台
- 上吊引戸ストッパー「SB-300」 … 1個
- 上吊引戸キャッチ「SB-302」 … 1個
- 外れ止め「SB-301」 … 2個
- マグネット「SB-161N」 … 1個
- マグネット受取付プレート付上吊車「SB-303」 … 1個
- ワイヤー取付座付上吊車「SB-313」 … 1個
- エアークッション「SB-171N」 … 1本
- ライナー(t=1.0)「SB-111」 … 6枚




