- SYS
- 商品コード:sys dc-58vz
様々な種類の建築金物を取り扱っているメーカーの商品です。取替・修理・交換用に。
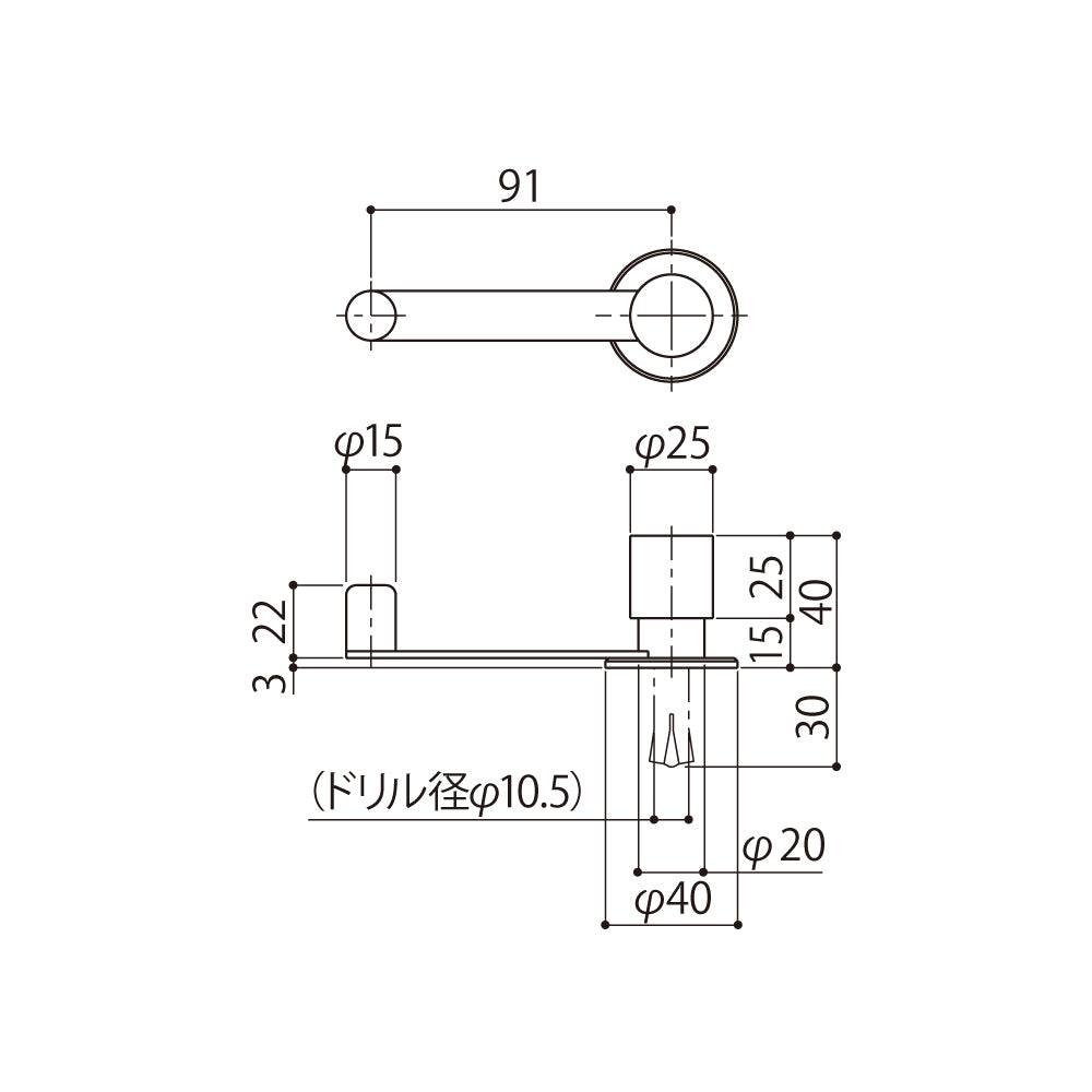
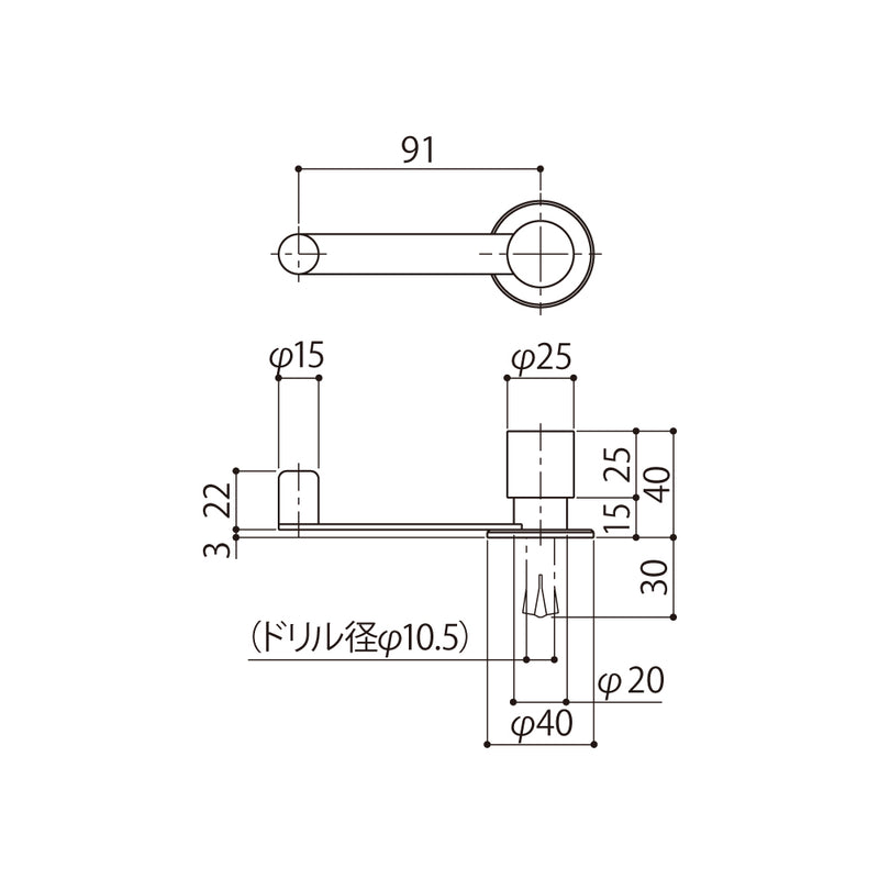
シブタニ ドアーストップ(スウィングアーム付) DC-58VZ【戸当り, ハードウェア金物, SYS, Shibutani】
シブタニ ドアーストップ(スウィングアーム付) DC-58VZ【戸当り, ハードウェア金物, SYS, Shibutani】
商品概要
- 商品分類
- ドアーストップ
- メーカー・ブランド
- シブタニ(SYS, Shibutani)
- 品番・型番
- DC-58VZ
- 材質
-
- 本体:亜鉛ダイキャスト
- アーム:ステンレス
- 仕上げ
-
- 本体:焼付塗装(シルバー)
- アーム:焼付塗装(シルバー)
- セット部品
- オールアンカーM10×50付









シブタニ(SYS)
ハードウェア金物
エアータイトシステム(ATS)
ラバトリー金物

引き戸クローザー
ヒンジ(各種丁番)
アームストッパー
ハンドル・引手
フランス落とし
戸当たり
郵便受け・ポスト関連
いわきエンジニアリング
大鳥機工
カツデン
シブタニ
ダイケン
長沢製作所
中西産業
日東工器
ニュースター
ハシダ技研
ホクシヨー
増田産業
マルキ
美和ロック
ユニオン
ヨコヅナ
リョービ