- 関連カテゴリ:
- 1000シリーズ
- 温度ヒューズ付き(防火ドア用)
- リョービ
- ドアクローザー
- RYOBI
- 商品コード:ryb f1003p
取付ビスが見えない角形で、直線と曲線が融合したデザイン。取替・修理・交換用に。
リョービ ドアクローザー F1003P(温度ヒューズ連動型) 【ストップ無し, パラレル型, 防火ドア用, 1000シリーズ, RYOBI】
リョービ ドアクローザー F1003P(温度ヒューズ連動型) 【ストップ無し, パラレル型, 防火ドア用, 1000シリーズ, RYOBI】
カートに追加する前に、必ず 「カラー」をご選択 下さい。
商品概要
- 商品分類
- ドアクローザー
- メーカー・ブランド
- RYOBI(リョービ)
- 品番・型番
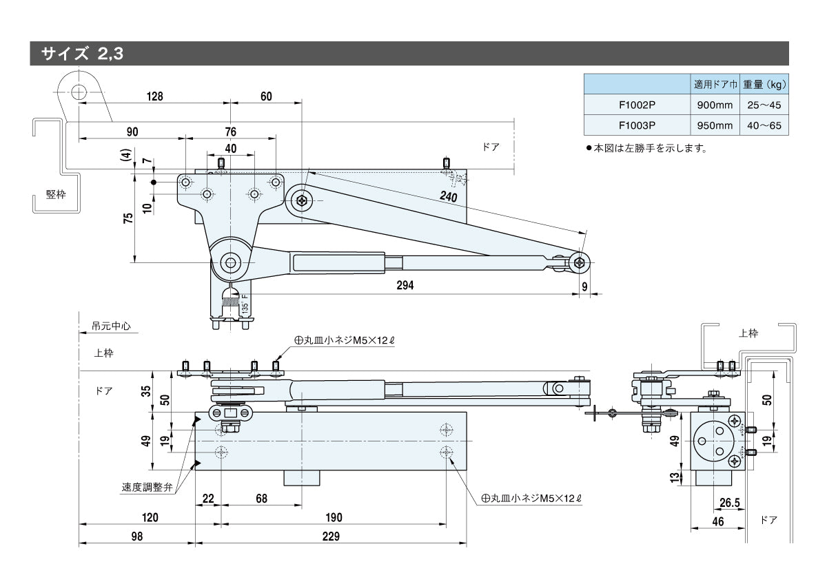
- F1003P
- シリーズ
- 1000シリーズ 【温度ヒューズ連動型】
- 機能・特徴
-
温度ヒューズ付き
温度ヒューズ連動型ドアクローザーは平常時、防火ドアを通路の壁際に開放保持します。
火災が発生した場合、ドアクローザーの温度ヒューズが、熱によって溶け、開放保持金具が外れ、 ドアクローザーの自閉力の働きにより、ドアを閉鎖します。 - 取付様式
- パラレル型
- ストップ機能
- ストップ無し
- 左右勝手
- 左右兼用
- 適用ドア寸法
- DW950 × DH2100mm
- ドア重量
- 40~65kg
- カラー
-
- シルバー【SV】
- メタリックブロンズ【C1】
- ホワイト【WH】
- アイボリー【IV】
- ブラック【DB】
- メタリックレモン【C5】
- ステンカラー【UC】
[ 製品図面・納まり図 ]
-
- ピンチアウト(拡大)操作できます -
[ 仕様一覧表 ]
[ 関連リンク ]
リョービのドアクローザー「1000シリーズ」一覧
リョービのドアクローザー一覧
リョービのカテゴリ一覧









リョービ(RYOBI)
ドアクローザー
フロアヒンジ
引き戸クローザー
防災機器
その他商品
標準仕様・特殊取付型
1000シリーズ
20シリーズ
H8シリーズ
80シリーズ
BLシリーズ
取替用ドアクローザー
doorman(ドアマン)
コンシールドタイプ
ドアクローザー
フロアヒンジ
引き戸クローザー
いわきエンジニアリング
大鳥機工
カツデン
シブタニ
ダイケン
長沢製作所
中西産業
日東工器
ニュースター
ハシダ技研
ホクシヨー
増田産業
マルキ
美和ロック
ユニオン
ヨコヅナ
リョービ