- NEWSTAR
- 商品コード:ns sf-900fk
取替・修理・交換用として。
ニュースター 扉閉鎖順位調整器 SF-900FK 【上枠格納型, NEWSTAR】
ニュースター 扉閉鎖順位調整器 SF-900FK 【上枠格納型, NEWSTAR】
商品概要
- 商品分類
- 扉閉鎖順位調整器
- メーカー・ブランド
- NEWSTAR(NS, ニュースター, 日本ドアーチエック製造)
- 品番・型番
- SF-250FT
- 機能・特徴
- 後閉まり扉が先に閉まっても「後閉まり扉用レバー」が支え、一時停止させます。
後から閉まってきた先閉まり扉が、「先閉まり扉用レバー」を押倒しながら閉鎖します。
連動している「後閉まり扉用レバー」も押倒され、後閉まり扉は支えが外れ、閉鎖します。
レバーの先端はゴmローラーの為、ドアを傷つけません。
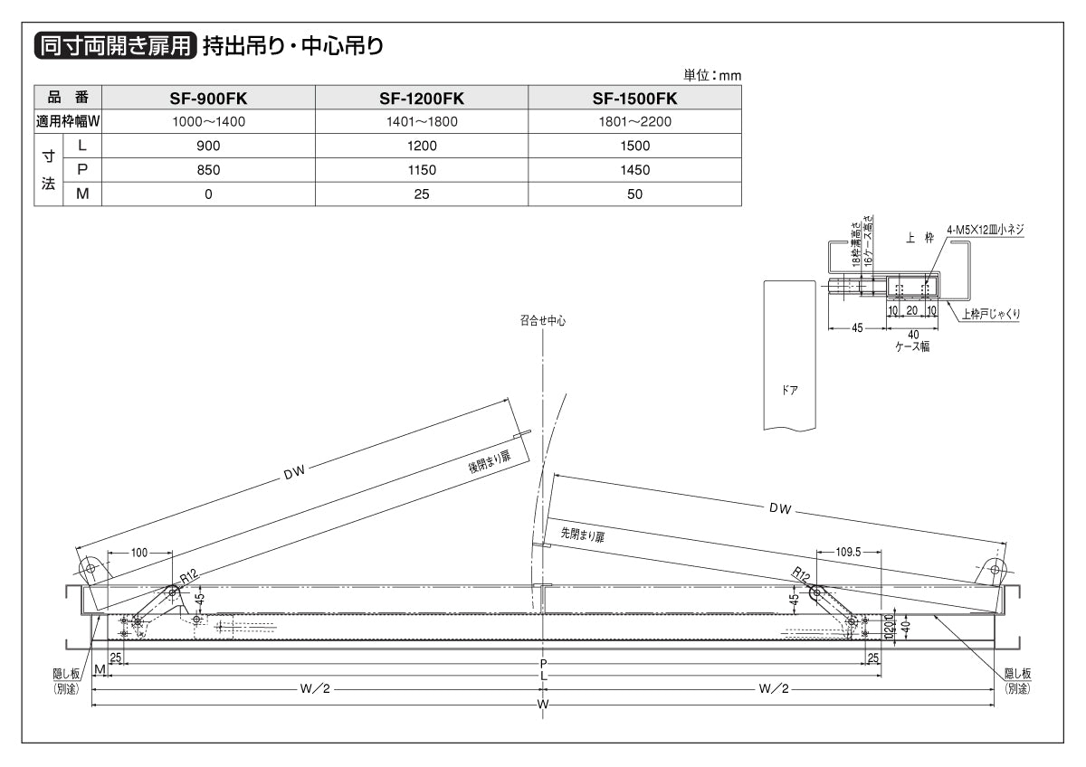
- 上枠に格納して取付。
金具レバーの突出が少なく、ドア周りの美観を損ないません。 - 枠内幅1000~2200mm(同寸幅の両開き扉)に対応。
- 調整が不要。
取付作業が容易にできます。 - ドアの召し合せの目板が反対の場合も左右反転すれば使用可能。
- 上枠に格納して取付。








