特設ページ
- NEWSTAR
- 商品コード:ns ps-5002
木製ドア・軽量ドア向けの本体薄型設計。取替・修理・交換用として。
ニュースター ドアクローザー PS-5002 【ストップ付き, パラレル型, 5000シリーズ, NEWSTAR, ドアチェック】
ニュースター ドアクローザー PS-5002 【ストップ付き, パラレル型, 5000シリーズ, NEWSTAR, ドアチェック】
カートに追加する前に、必ず 「カラー」をご選択 下さい。
商品概要
- 商品分類
- ドアクローザー(ドアチェック)
- メーカー・ブランド
- NEWSTAR(NS, ニュースター, 日本ドアーチェック製造)
- 品番・型番
- PS-5002
- シリーズ
- 5000シリーズ
- 機能・特徴
-
- 本体薄型。
- 木製ドアはもちろん、アルミドア・軽量スチールドア等色々なドアに幅広く適応。
- 本体は2本のネジで取付。
- 開閉速度調整は、2バルブ方式。
- 種類が豊富なシリーズで様々なドア・枠形状に対応。
- 取付様式
- パラレル型
- ストップ機能
- ストップ付き
(ストップ角度:70°~180°の任意の角度に設定可能です。) - 左右勝手
- 左右兼用。
(本体を表裏逆にし、閉扉速度調整バルブを吊元側に向けて使用して下さい。) - 適用ドア寸法
- DW900 × DH2100mm
- ドア重量
- 45kg以下
- カラー
-
- シルバー(※標準色)【N-01】
- バーントアンバー(ブロンズ)【N-52】
- ブラック【N-31】
- クリアグレー【N-62】
- ホワイト【N-22】
- アイボリーホワイト【N-04】
- ゴールド【N-48】
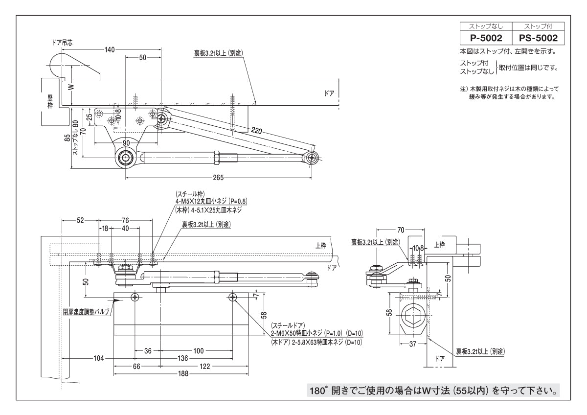
[ 製品図面・納まり図 ]
-
- ピンチアウト(拡大)操作できます -
[ 製品仕様・特徴 ]
- カタログ(5000シリーズ)
-
- ピンチアウト(拡大)操作できます -
[ 仕様一覧表 ]
- 仕様一覧表(標準ブラケット標準アーム)
- 横スクロールで閲覧できます -




