特設ページ
- NEWSTAR
- 商品コード:ns p-2002
木製ドア・アルミドア、軽量スチールドア等色々なドアに幅広く適応。
ニュースター ドアクローザー P-2002【ストップ無し, パラレル型, 2000シリーズ, NEWSTAR, ドアチェック】
ニュースター ドアクローザー P-2002【ストップ無し, パラレル型, 2000シリーズ, NEWSTAR, ドアチェック】
カートに追加する前に、必ず 「カラー」をご選択 下さい。
商品概要
- 商品分類
- ドアクローザー(ドアチェック)
- メーカー・ブランド
- NEWSTAR(NS, ニュースター, 日本ドアーチエック製造)
- 品番・型番
- P-2002
- シリーズ
- 2000シリーズ 【標準型】
- 機能・特徴
-
- 本体薄型。
- 木製ドアはもちろんアルミドア、軽量スチールドア等色々なドアに幅広く適応。
- 本体の取付ネジ(2本)を見せないカバー付。
- シャープな外観。
- 閉扉速度調整は2バルブ方式。
- 取付様式
- パラレル型
- ストップ機能
- ストップ無し
- 左右勝手
- 左右兼用タイプ。
本体を上下転倒し、閉扉速度調整バルブを吊元側に向けて使用して下さい。 - 適用ドア寸法
- DW900 × DH2100mm
- ドア重量
- 45kg以下
- カラー
-
- シルバー【N-01】
- バーントアンバー(ブロンズ)【N-52】
- ブラック【N-31】
- クリアグレー【N-62】
- ホワイト【N-22】
- アイボリーホワイト【N-04】
- ゴールド【N-48】
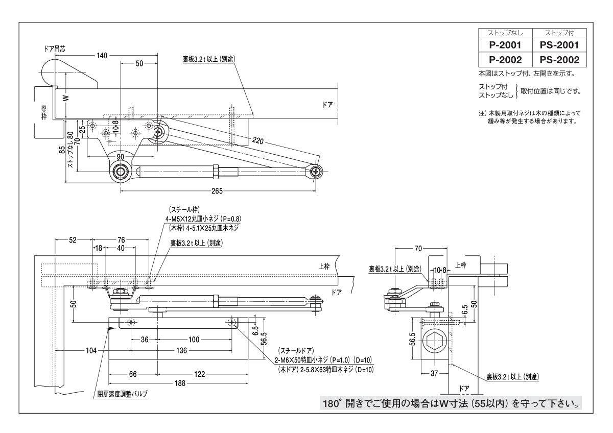
[ 製品図面・納まり図 ]
-
- ピンチアウト(拡大)操作できます -
[ 製品仕様・特徴 ]
- カタログ「2000シリーズ」
-
- ピンチアウト(拡大)操作できます -
[ 仕様一覧表 ]
仕様一覧表(標準ブラケット・標準アーム)
- 横スクロールで表示できます -番手 | ① | ② | |
---|---|---|---|
ドア適用 | 寸法(DW × DHmm) | 800 × 1800 | 900 × 2100 |
重量(kg以下) | 30 | 45 | |
パラレル型 | ストップ無し | P-2001 | P-2002 |
ストップ付き | PS-2001 | PS-2002 |
- 枠・扉の形状に合わせて、ブラケット・アームのバリエーションが設定されています。 下記一覧表より商品ページへとお進み、詳細ご確認下さい。



