- 関連カテゴリ:
- 80シリーズ
- 80シリーズ - 標準型
- ニュースター
- ドアクローザー
特設ページ
- NEWSTAR
- 商品コード:ns p-184ak
ロングセラーのオーソドックスタイプ。取替・修理・交換用として。
ニュースター ドアクローザー P-184AK(段付きブラケット段付きアーム) 【パラレル型, ストップ付き, 80シリーズ, NEWSTAR, ドアチェック】
ニュースター ドアクローザー P-184AK(段付きブラケット段付きアーム) 【パラレル型, ストップ付き, 80シリーズ, NEWSTAR, ドアチェック】
カートに追加する前に、必ず 「カラー」をご選択 下さい。
商品概要
- 商品分類
- ドアクローザー(ドアチェック)
- メーカー・ブランド
- NEWSTAR(NS, ニュースター, 日本ドアーチェック製造)
- 品番・型番
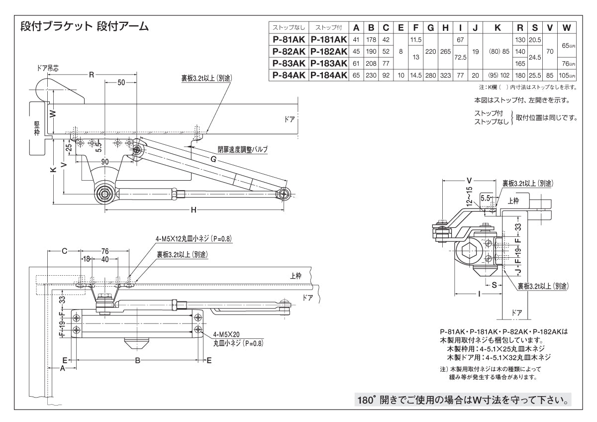
- P-184AK(段付きブラケット段付きアーム)
- シリーズ
- 80シリーズ 【標準型】
- 機能・特徴
-
- コンパクトなボディでしかも堅牢。
機能性を重視した超ロングセラーのオーソドックスタイプ。 - 種類が豊富なシリーズで様々なドア・枠形状に対応。
- 開閉速度調整は、2バルブ方式。
- 開閉角度:180°開き
- コンパクトなボディでしかも堅牢。
- 取付様式
- パラレル型
- ストップ機能
- ストップ付き
(ストップ角度:70°~180°の任意の角度に設定可能。) - 左右勝手
- 左右兼用タイプ。
本体を上下転倒し、閉扉速度調整バルブを戸先側に向けて使用して下さい。 - 適用ドア寸法
- DW1050 × DH2400mm
- ドア重量
- 85kg以下
- カラー
-
- シルバー(※標準色)【N-01】
- バーントアンバー(ブロンズ)【N-52】
- ブラック【N-31】
- クリアグレー【N-62】
- ホワイト【N-22】
- アイボリーホワイト【N-04】
- ゴールド【N-48】
[ 製品図面・納まり図 ]
-
- ピンチアウト(拡大)操作できます -
[ 製品仕様・特徴 ]
- カタログ(80シリーズ)
-
- ピンチアウト(拡大)操作できます -
[ 仕様一覧表 ]
- 仕様一覧表(標準ブラケット標準アーム)
- 横スクロールで表示できます -番手 | スタンダード型 | パラレル型 | ドア適用 | |||
---|---|---|---|---|---|---|
ストップ無し | ストップ付き | ストップ無し | ストップ付き | 寸法(W×Hmm) | 重量(kg以下) | |
① | 81 | 181 | ★ P-81 | ★ P-181 | 800×1800 | 30 |
② | 82 | 182 | ★ P-82 | ★ P-182 | 900×2100 | 45 |
③ | 83 | 183 | ★ P-83 | ★ P-183 | 950×2100 | 65 |
④ | 84 | 184 | ★ P-84 | ★ P-184 | 1050×2400 | 85 |
⑤ | 85 | 185 | P-85 | P-185 | 1200×2400 | 120 |
⑥ | 86 | 186 | P-86 | P-186 | 1800×2700 | 180 |
- 枠・扉の形状に合わせて、★印のドアクローザーには、ブラケット・アームのバリエーションが設定されています。
下記一覧表より商品ページへとお進み、詳細ご確認下さい。
- ブラケット・アームのバリエーション一覧
- 横スクロールで表示できます -番手 | ||||||
---|---|---|---|---|---|---|
① | ② | ③ | ④ | |||
パラレル型 | ストップ無し | アングルブラケット | P-81L | P-82L | P-83L | P-84L |
段付きブラケット | P-81A | P-82A | P-83A | P-84A | ||
段付きアーム | P-81K | P-82K | P-83K | P-84K | ||
段付きブラケット段付きアーム | P-81AK | P-82AK | P-83AK | P-84AK | ||
エアタイトドア用 | AP-81 | AP-82 | AP-83 | AP-84 | ||
ストップ付き | アングルブラケット | P-181L | P-182L | P-183L | P-184L | |
段付きブラケット | P-181A | P-182A | P-183A | P-184A | ||
段付きアーム | P-181K | P-182K | P-183K | P-184K | ||
段付きブラケット段付きアーム | P-181AK | P-182AK | P-183AK | P-184AK | ||
エアタイトドア用 | AP-181 | AP-182 | AP-183 | AP-184 |





