- 関連カテゴリ:
- 7000シリーズ【標準仕様】
- ニュースター
- ドアクローザー
特設ページ
- NEWSTAR
- 商品コード:ns 7003
シャープなデザイン・コンパクト設計の最新型。
ニュースター ドアクローザー 7003【ストップ無し, スタンダード型, 7000シリーズ, NEWSTAR, ドアチェック】
ニュースター ドアクローザー 7003【ストップ無し, スタンダード型, 7000シリーズ, NEWSTAR, ドアチェック】
カートに追加する前に、必ず 「カラー」をご選択 下さい。
商品概要
- 商品分類
- ドアクローザー(ドアチェック)
- メーカー・ブランド
- NEWSTAR(NS, ニュースター, 日本ドアーチエック製造)
- 品番・型番
- 7003
- シリーズ
- 7000シリーズ 【標準型】
- 機能・特徴
-
- シャープなデザインでコンパクト設計。取付ネジが露出しないので外観がスッキリします。
- 種類が豊富な製品で様々なドア・枠形状に対応。
- #7001〜#7003、#7004・#7005、#7006・#7007 は、それぞれ取付板が共通です。
- 開閉速度調整は、3バルブ方式。ドアを確実に閉鎖するラッチング機能付き。
- オプションで、バックチェック(BC)機能付き・ディレードアクション(DA)機能付き の設定も可能です。
- 取付様式
- スタンダード型
- ストップ機能
- ストップ無し
- 左右勝手
- 左右兼用タイプ。
本体を上下転倒し、閉扉速度調整バルブを吊元側に向けて使用して下さい。 - 適用ドア寸法
- DW950 × DH2100mm
- ドア重量
- 65kg以下
- カラー
-
- シルバー【N-01】
- バーントアンバー(ブロンズ)【N-52】
- ブラック【N-31】
- クリアグレー【N-62】
- ホワイト【N-22】
- アイボリーホワイト【N-04】
- ゴールド【N-48】
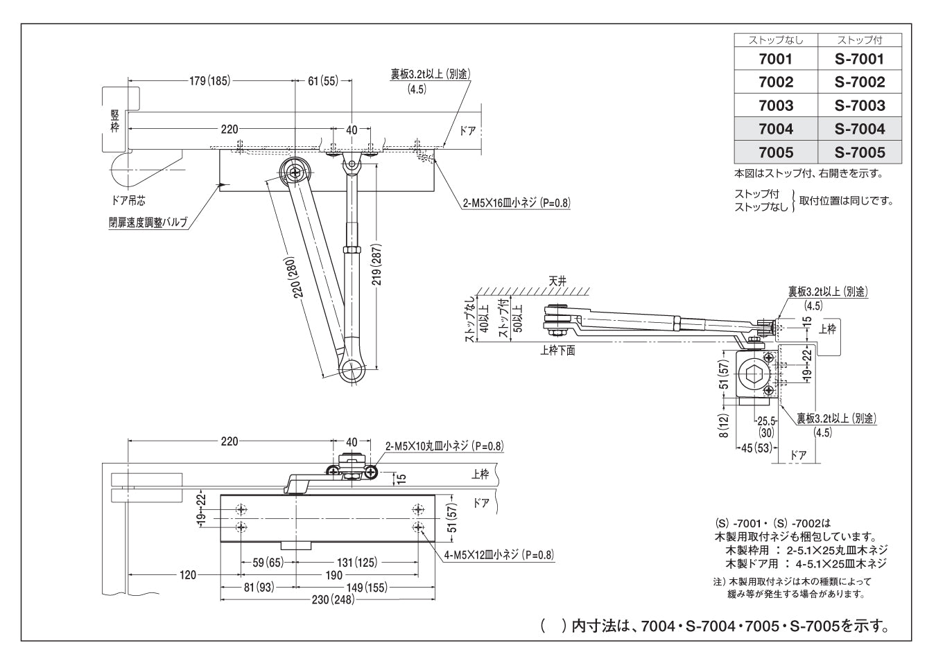
[ 製品図面・納まり図 ]
-
- ピンチアウト(拡大)操作できます -
[ 製品仕様・特徴 ]
- カタログ(7000シリーズ)
-
- ピンチアウト(拡大)操作できます -
[ 仕様一覧表 ]
仕様一覧表(標準ブラケット・標準アーム)
- 横スクロールで表示できます -番手 | ① | ② | ③ | ④ | ⑤ | ⑥ | ⑦ | |
---|---|---|---|---|---|---|---|---|
ドア適用 | 寸法(DW × DHmm) | 800 × 1800 | 900 × 2100 | 950 × 2100 | 1050 × 2400 | 1200 × 2400 | 1800 × 2700 | 2000 × 3000 |
重量(kg以下) | 30 | 45 | 65 | 85 | 120 | 180 | 250 | |
スタンダード型 | ストップ無し | 7001 | ★ 7002 | ★ 7003 | ★ 7004 | ★ 7005 | 7006 | 7007 |
ストップ付き | S-7001 | ★ S-7002 | ★ S-7003 | ★ S-7004 | ★ S-7005 | S-7006 | S-7007 | |
パラレル型 | ストップ無し | ★ P-7001 | ★ P-7002 | ★ P-7003 | ★ P-7004 | ★ P-7005 | ★ P-7006 | ★ P-7007 |
ストップ付き | ★ PS-7001 | ★ PS-7002 | ★ PS-7003 | ★ PS-7004 | ★ PS-7005 | ★ PS-7006 | ★ PS-7007 |
- 枠・扉の形状に合わせて、★印のドアクローザーには、ブラケット・アームのバリエーションが設定されています。
下記一覧表より商品ページへとお進み、詳細ご確認下さい。
ブラケット・アームのバリエーション一覧
- 横スクロールで表示できます -番手 | |||||||||
---|---|---|---|---|---|---|---|---|---|
① | ② | ③ | ④ | ⑤ | ⑥ | ⑦ | |||
スタンダード型 | ストップ無し | ベントアーム型 | ー | 7002BT | 7003BT | 7004BT | 7005BT | ― | ― |
ストップ付き | ― | S-7002BT | S-7003BT | S-7004BT | S-7005BT | ― | ― | ||
パラレル型 | ストップ無し | アングルブラケット | P-7001L | P-7002L | P-7003L | P-7004L | P-7005L | ― | ― |
段付きブラケット | P-7001A | P-7002A | P-7003A | P-7004A | P-7005A | ― | ― | ||
段付きアーム | P-7001K | P-7002K | P-7003K | P-7004K | P-7005K | ― | ― | ||
段付きブラケット 段付きアーム |
P-7001AK | P-7002AK | P-7003AK | P-7004AK | P-7005AK | ― | ― | ||
段付きアーム アングルブラケット |
P-7001KL | P-7002KL | P-7003KL | ― | ― | ― | ― | ||
エアタイトドア用 | AP-7001 | AP-7002 | AP-7003 | AP-7004 | AP-7005 | AP-7006 | AP-7007 | ||
ストップ付き | アングルブラケット | PS-7001L | PS-7002L | PS-7003L | PS-7004L | PS-7005L | ― | ― | |
段付きブラケット | PS-7001A | PS-7002A | PS-7003A | PS-7004A | PS-7005A | ― | ― | ||
段付きブラケット (木製枠・木製ドア用) |
PS-7001AW | PS-7002AW | PS-7003AW | ー | ー | ー | ー | ||
段付きアーム | PS-7001K | PS-7002K | PS-7003K | PS-7004K | PS-7005K | ― | ― | ||
段付きブラケット 段付きアーム |
PS-7001AK | PS-7002AK | PS-7003AK | PS-7004AK | PS-7005AK | ― | ― | ||
段付きアーム アングルブラケット |
PS-7001KL | PS-7002KL | PS-7003KL | ー | ー | ー | ー | ||
エアタイトドア用 | APS-7001 | APS-7002 | APS-7003 | APS-7004 | APS-7005 | APS-7006 | APS-7007 | ||
防火ドア用 | PCS-7001 | PCS-7002 | PCS-7003 | ー | ー | ー | ー |





