- 関連カテゴリ:
- 折り戸用 オートパワーヒンジ
- ニュースター
- オートパワーヒンジ
- NEWSTAR
- 商品コード:ns aph dh-40
折り戸用オートパワーヒンジ使用の際のドアホルダー。取替・修理・交換用に。
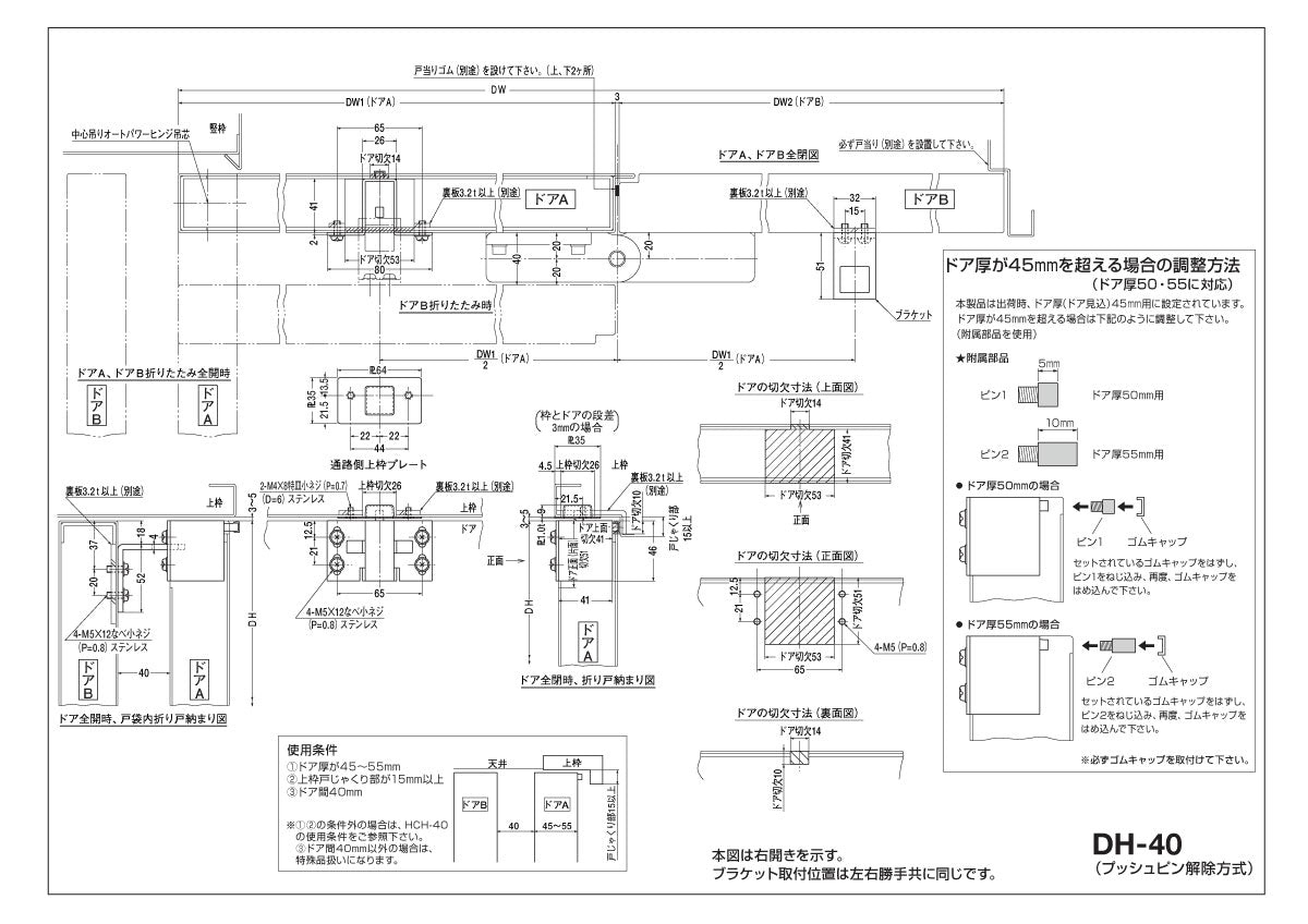
ニュースター 折り戸用ドアホルダー DH-40 【プッシュピン式, 防火ドア用, 防火設備, NEWSTAR】
ニュースター 折り戸用ドアホルダー DH-40 【プッシュピン式, 防火ドア用, 防火設備, NEWSTAR】
商品概要
- 商品分類
- 折り戸用 ドアホルダー
- メーカー・ブランド
- NEWSTAR(NS, ニュースター, 日本ドアーチエック製造)
- 品番・型番
- DH-40
- 機能・特徴
- 折り戸用 オートパワーヒンジ設置の際に使用されるドアホルダーです。
- 適用ドアの種類
- 防火ドア用
- 解除方式
- プッシュピン式
- 使用箇所
- 遮煙防火戸以外で使用可能。
- 左右勝手
- 共通
- 取付様式
-
- 戸じゃくり見付寸法:
- ドアと天井のチリ:3mm以上
- ドア厚:45~55mm



