- NEWSTAR
- 商品コード:ns 8c-5
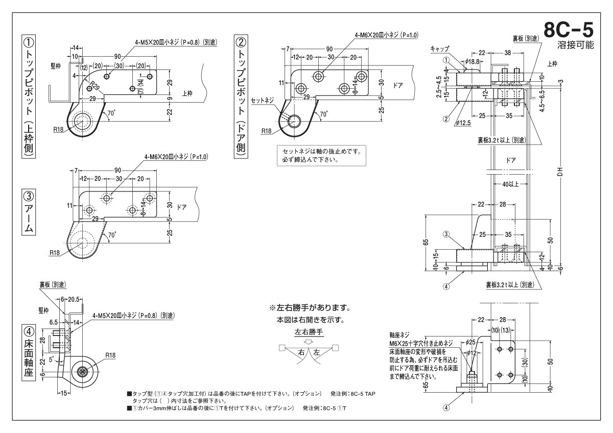
種類が豊富なニュースターのピボットヒンジです。取替・修理・交換用としての利用にも。
ニュースター ピボットヒンジ 8C-5 / 8C-5 TAP【竪枠取付型, 持出吊り, 一方開き, スチールドア用, NEWSTAR, NS】
ニュースター ピボットヒンジ 8C-5 / 8C-5 TAP【竪枠取付型, 持出吊り, 一方開き, スチールドア用, NEWSTAR, NS】
カートに追加する前に、必ず 「タップ穴加工」「左右勝手」をご選択 下さい。
商品概要
- 商品分類
- ピボットヒンジ
- メーカー・ブランド
- NEWSTAR(NS, ニュースター, 日本ドアーチエック製造)
- 品番・型番
-
- 8C-5(標準型:タップ穴加工無し)
- 8C-5 TAP(タップ型:タップ穴加工付き)
- ドア様式
- スチールドア用
- 開閉様式
- 持出吊り・一方開き
- 取付形式
- 竪枠取付型
- 左右勝手
- 左右勝手あり(押し勝手)
ドアが閉じられた状態から押して開ける際に吊元がどちらにあるかで判断して下さい。
- 押して開けた際に吊元が右側 → 右勝手
- 押して開けた際に吊元が左側 → 左勝手
- 適用ドア寸法
- DW900 × DH2100mm
- ドア重量
- 90kg以下
- 主要材質
-
- トップピボット・アーム:鉄製型打鍛造
- 床面軸座:ステンレス
- カバー・プレート:ステンレス
- オプション品
- ドアの反り及び大型・重量ドアの転倒を防止用の補助金具「中間吊り金具」をご希望の方は、別途追加して下さい。
→ 8C-5用 中間吊り金具




