- NEWSTAR
- 商品コード:ns 7nt
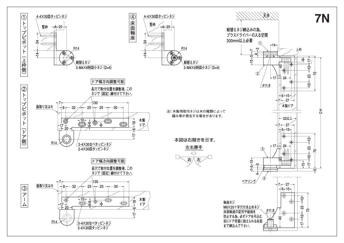
種類が豊富なニュースターのピボットヒンジです。取替・修理・交換用としての利用にも。
ニュースター ピボットヒンジ 7NT(中間吊り金具付き)【竪枠取付型, 持出吊り, 一方開き, 木製ドア用, NEWSTAR, NS】
ニュースター ピボットヒンジ 7NT(中間吊り金具付き)【竪枠取付型, 持出吊り, 一方開き, 木製ドア用, NEWSTAR, NS】
カートに追加する前に、必ず 「カラー」をご選択 下さい。
商品概要
- 商品分類
- ピボットヒンジ
- メーカー・ブランド
- NEWSTAR(NS, ニュースター, 日本ドアーチエック製造)
- 品番・型番
- 7NT(中間吊り金具付き)
- 機能・特徴
-
- 左右勝手の組み替えが可能です。
- 中間吊り金具が、ドアのそり及び大型・重量ドアの転倒を防止します。
- ドア様式
- 木製枠・木製ドア用
- 開閉様式
- 持出吊り・一方開き
- 取付形式
- 竪枠取付型(C型)
- 左右勝手
- 左右兼用型(※左右勝手の組み替えが可能です。)
出荷時の状態は、右勝手になっています。 - 適用ドア寸法
- DW900 × DH2100mm
- ドア重量
- 55kg以下
- 主要材質
-
- トップピボット上枠側:ステンレス
- トップピボットドア側・アーム:亜鉛合金ダイカスト
- 床面軸座:ステンレス
- カバー・プレート:ステンレス
- 中間吊り金具:亜鉛合金ダイカスト
- カラー
-
- シルバー
- ブロンズ







