- 関連カテゴリ:
- 5型・5N型(一般用)
- ニュースター
- NEWSTAR - 引き戸クローザー
特設ページ
- NEWSTAR
- 商品コード:ns 5f-f
一般的な引き戸クローザー。取替・修理・交換用として。
ニュースター 引戸クローザー 5型・フロント枠用 F型(製品一式) 【スライディングドアクローザー, NEWSTAR】
ニュースター 引戸クローザー 5型・フロント枠用 F型(製品一式) 【スライディングドアクローザー, NEWSTAR】
カートに追加する前に、必ず 「ストップ機能」「ドア幅(DW)」「左右勝手」をご選択 下さい。
商品概要
- 商品分類
- 引き戸クローザー
- メーカー・ブランド
- NEWSTAR(NS, ニュースター, 日本ドアーチェック製造)
- 型式・種類
- 5型・フロント枠用 F型 【製品一式】
- 品番
-
ストップ無し
- 5型-F40 (DW:750~900mm)
- 5型-F60 (DW:901~1100mm)
- 5型-F80 (DW:1101~1300mm)
- 5型-F100 (DW:1301~1500mm)
ストップ付き
- 5型S-F40 (DW:750~900mm)
- 5型S-F60 (DW:901~1100mm)
- 5型S-F80 (DW:1101~1300mm)
- 5型S-F100 (DW:1301~1500mm)
- 適用ドアの種類
- 一般ドア用
- 取付様式
- フロント枠用
- ストップ機能
-
- ストップ無し
- ストップ付き
- 左右勝手
- 左右勝手あり(引き勝手)
※点検口側から見て、扉を閉じた状態からどちらに引いて開けるかで勝手が決まります。
- 右に引いて開ける → 右勝手
- 左に引いて開ける → 左勝手
- 適用ドア寸法
-
- DW:750~900mm
- DW:901~1100mm
- DW:1101~1300mm
- DW:1301~1500mm
- 駆動装置
-
- ドア重量 60kg以下:NS-3R / NS-3L
- ドア重量 61~80kg:NS-4R / NS-4L
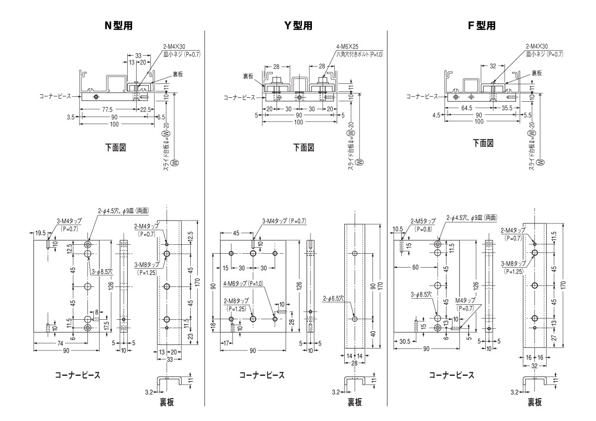
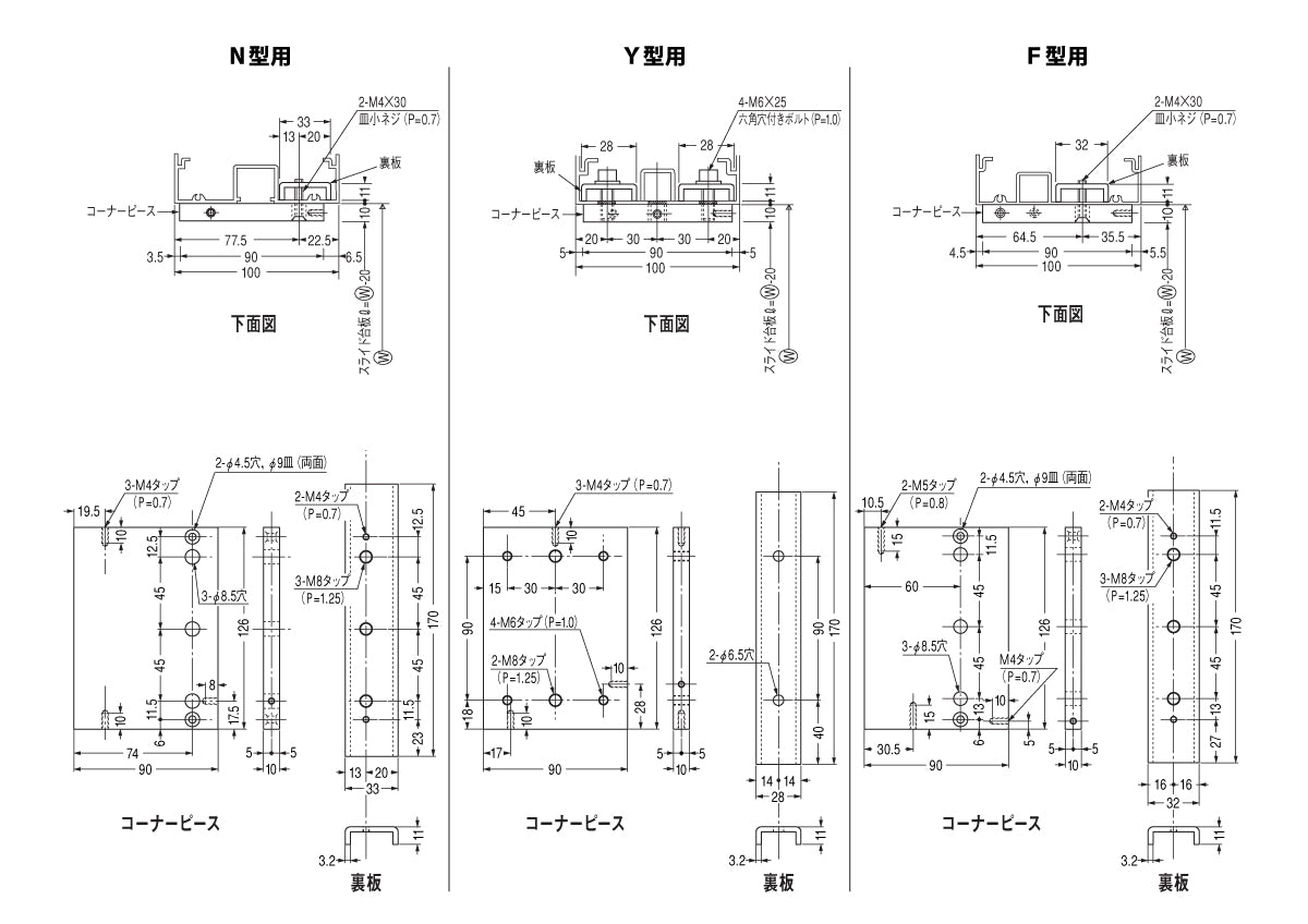
[ 製品図面・納まり図 ]
-
- ピンチアウト(拡大)操作できます -

-

-

-

-
[ 製品仕様・特徴 ]
- カタログ「5型・フロント枠用」
-
- ピンチアウト(拡大)操作できます -
[ 関連リンク ]
ニュースターの引き戸クローザー一覧
-
5C型・5CN型(コンパクトタイプ)
-
5型・5N型(一般ドア用)
-
6型(浴室ドア用)
-
Ⅰ型(重量ドア用)
-
Ⅰ-A型(防火ドア用、常時開放タイプ)
-
Ⅲ型(家庭用)
-
8型(エレベーター前、防火区画用)
-
メンテナンスパーツ・交換用部品
ニュースターのカテゴリ一覧









ニュースター(NEWSTAR)
ドアクローザー
フロアヒンジ
オートパワーヒンジ
ピボットヒンジ
その他
ニュースター 引戸クローザー用 メンテナンスパーツ・交換用部品
引戸クローザーの機種選定、メンテナンス部品のお見積り
いわきエンジニアリング
大鳥機工
カツデン
シブタニ
ダイケン
長沢製作所
中西産業
日東工器
ニュースター
ハシダ技研
ホクシヨー
増田産業
マルキ
美和ロック
ユニオン
ヨコヅナ
リョービ