- 関連カテゴリ:
- Ⅰ型(重量ドア用)
- ニュースター
- NEWSTAR - 引き戸クローザー
特設ページ
- NEWSTAR
- 商品コード:ns 1s-200t
重量用の引き戸クローザー。
ニュースター 引き戸クローザー Ⅰ型S-200T【ストップ付き, 重量ドア用(200kg以下), スライディングドアクローザー, NEWSTAR】
ニュースター 引き戸クローザー Ⅰ型S-200T【ストップ付き, 重量ドア用(200kg以下), スライディングドアクローザー, NEWSTAR】
カートに追加する前に、必ず 「左右勝手」をご選択 下さい。
商品概要
- 商品分類
- 引き戸クローザー
- メーカー・ブランド
- NEWSTAR(NS, ニュースター, 日本ドアーチェック製造)
- 品番・型番
- Ⅰ型S-200T
- 適用ドアの種類
- 重量ドア用
- ストップ機能
- ストップ付き
- 左右勝手
- 左右勝手あり(引き勝手)
※点検口側から見て、扉を閉じた状態からどちらに引いて開けるかで勝手が決まります。
- 右に引いて開ける → 右勝手
- 左に引いて開ける → 左勝手
- 適用ドア寸法
- DW2000 × DH2500mm
- ドア重量
- 200kg以下
- 戸車
- 樹脂製 φ60mm
関連商品
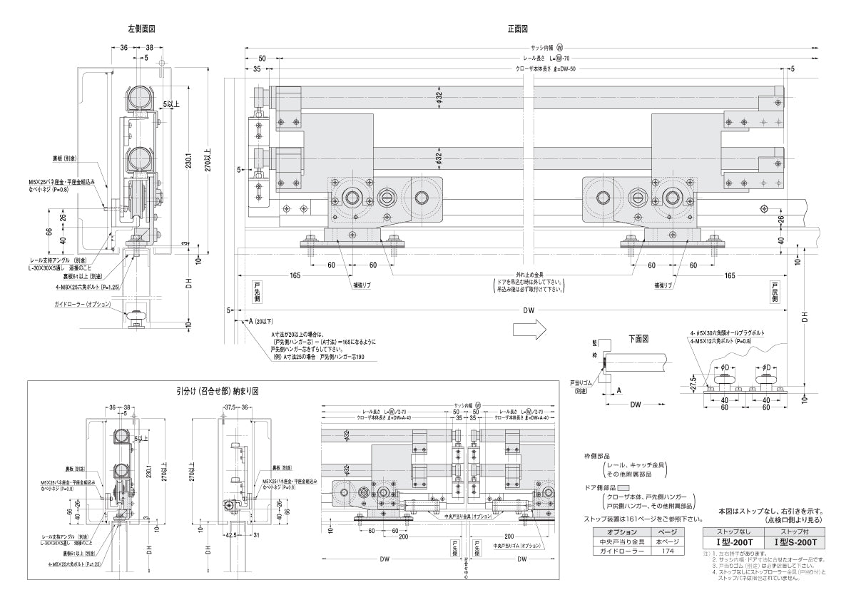
[ 製品図面・納まり図 ]
-
- ピンチアウト(拡大)操作できます -

-

-
[ 製品仕様・特徴 ]
- カタログ「Ⅰ型(重量ドア用)」

[ 関連リンク ]
ニュースターの引き戸クローザー一覧
-
5C型・5CN型(コンパクトタイプ)
-
5型・5N型(一般ドア用)
-
6型(浴室ドア用)
-
Ⅰ型(重量ドア用)
-
Ⅰ-A型(防火ドア用、常時開放タイプ)
-
Ⅲ型(家庭用)
-
8型(エレベーター前、防火区画用)
-
メンテナンスパーツ・交換用部品
ニュースターのカテゴリ一覧









ニュースター(NEWSTAR)
ドアクローザー
フロアヒンジ
オートパワーヒンジ
ピボットヒンジ
その他
ニュースター 引戸クローザー用 メンテナンスパーツ・交換用部品
引戸クローザーの機種選定、メンテナンス部品のお見積り
ニュースター 引き戸クローザー Ⅰ型-200T【ストップ無し, 重量ドア用(200kg以下), スライディングドアクローザー, NEWSTAR】
いわきエンジニアリング
大鳥機工
カツデン
シブタニ
ダイケン
長沢製作所
中西産業
日東工器
ニュースター
ハシダ技研
ホクシヨー
増田産業
マルキ
美和ロック
ユニオン
ヨコヅナ
リョービ