- 関連カテゴリ:
- オートヒンジ(丁番型)
- 200シリーズ
- 屋内ドア用
- 日東工器
特設ページ
- NITTO KOHKI
- 商品コード:nk 240-t
シンプルなデザインで機能性の高いオートヒンジ。取替・修理・交換用として。
日東工器 オートヒンジ(丁番型) 空丁番 240R-T / 240L-T シルバー 【244T型, 200シリーズ, 屋内ドア用, オート丁番, NITTO KOHKI】
日東工器 オートヒンジ(丁番型) 空丁番 240R-T / 240L-T シルバー 【244T型, 200シリーズ, 屋内ドア用, オート丁番, NITTO KOHKI】
カートに追加する前に、必ず 「左右勝手」をご選択 下さい。
商品概要
- 商品分類
- オートヒンジ 丁番型(オート丁番)
- メーカー・ブランド
- 日東工器(NITTO KOHKI)
- 品番
- 240R-T / 240L-T
- 機能・特徴
-
- 本商品には、クローザー機能は付いていません。
- 親子ドアでの子ドアなど自動閉扉の不必要なドアで、デザイン上ヒンジを合わせたい場合には、外観形状は同じでクローザ機能の無いこちらの機種をご使用ください。
- 型式・種類
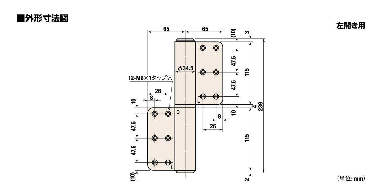
- 200シリーズ 244T型
- 適用ドアの種類
- 屋内ドア用(鋼製ドア用)
- ストップ機能
- ストップ無し
- 最大開扉角度
- 一方開き(180°)
- 左右勝手
- 左右勝手あり
※ドアを閉じた状態から押して開ける際に、吊元がどちらにあるかで決まります。
- 押して開けた際に吊元が右側 → 右勝手
- 押して開けた際に吊元が左側 → 左勝手
- 適用ドアサイズ
- W1200mm以下 × H2100mm以下 × D40mm以上
- 適用ドア重量
- 120kg以下
- カラー
- シルバーのみ
- セット内容
-
- 空ヒンジ × 1枚
- M取付ネジ(M6)は付属されておりません。
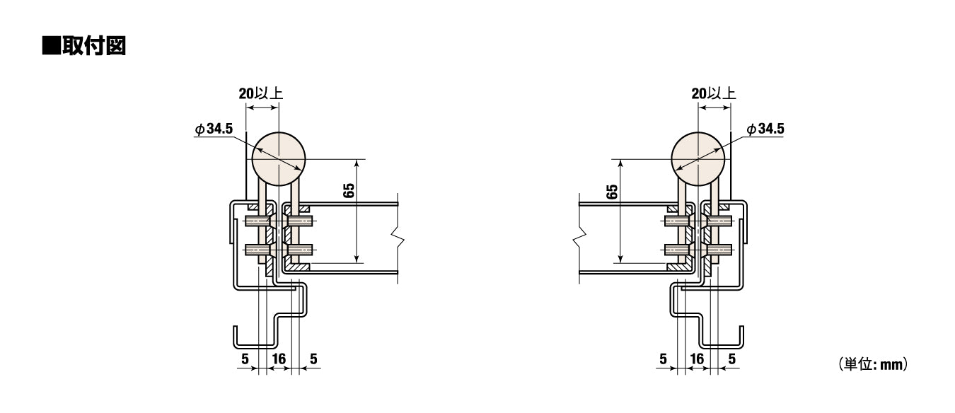
[ 製品図面・納まり図 ]
-
- ピンチアウト(拡大)操作できます -







