- MIWA
- 商品コード:mw m802s
廃番となった美和ロック製ドアクローザーの取替品。
美和ロック 廃番ドアクローザー M802Sの取替品 →「ニュースター 182」【ストップ付き, 標準取付型(スタンダード型), M800シリーズ, MIWA】
美和ロック 廃番ドアクローザー M802Sの取替品 →「ニュースター 182」【ストップ付き, 標準取付型(スタンダード型), M800シリーズ, MIWA】
カートに追加する前に、必ず 「カラー」をご選択 下さい。
※購入前に、形状・サイズに異なる部分がないか、必ず図面をご確認ください。
商品概要
- 商品分類
- ドアクローザー
- メーカー・ブランド
品番・型番 -
- 廃番品 「美和ロック M802S」
↓ - 取替品 「ニュースター 182」(こちらの商品のご購入となります。)
- 廃番品 「美和ロック M802S」
- 機能・特徴
- 美和ロックのドアクローザーは全製品廃番となりましたが、同じ取付穴位置のままニュースター製ドアクローザーでの取替が可能です。
- 取付様式
- 標準取付型
- ストップ機能
- ストップ付き
- 左右勝手
- 左右兼用タイプ。
本体を上下転倒し、閉扉速度調整バルブを吊元側に向けて使用して下さい。 - 適用ドア寸法
- DW900 × DH2100mm
- ドア重量
- 45kg以下
- カラー
-
- シルバー【N-01】
- バーントアンバー(ブロンズ)【N-52】
- ブラック【N-31】
- クリアグレー【N-62】
- ホワイト【N-22】
- アイボリーホワイト【N-04】
- ゴールド【N-48】
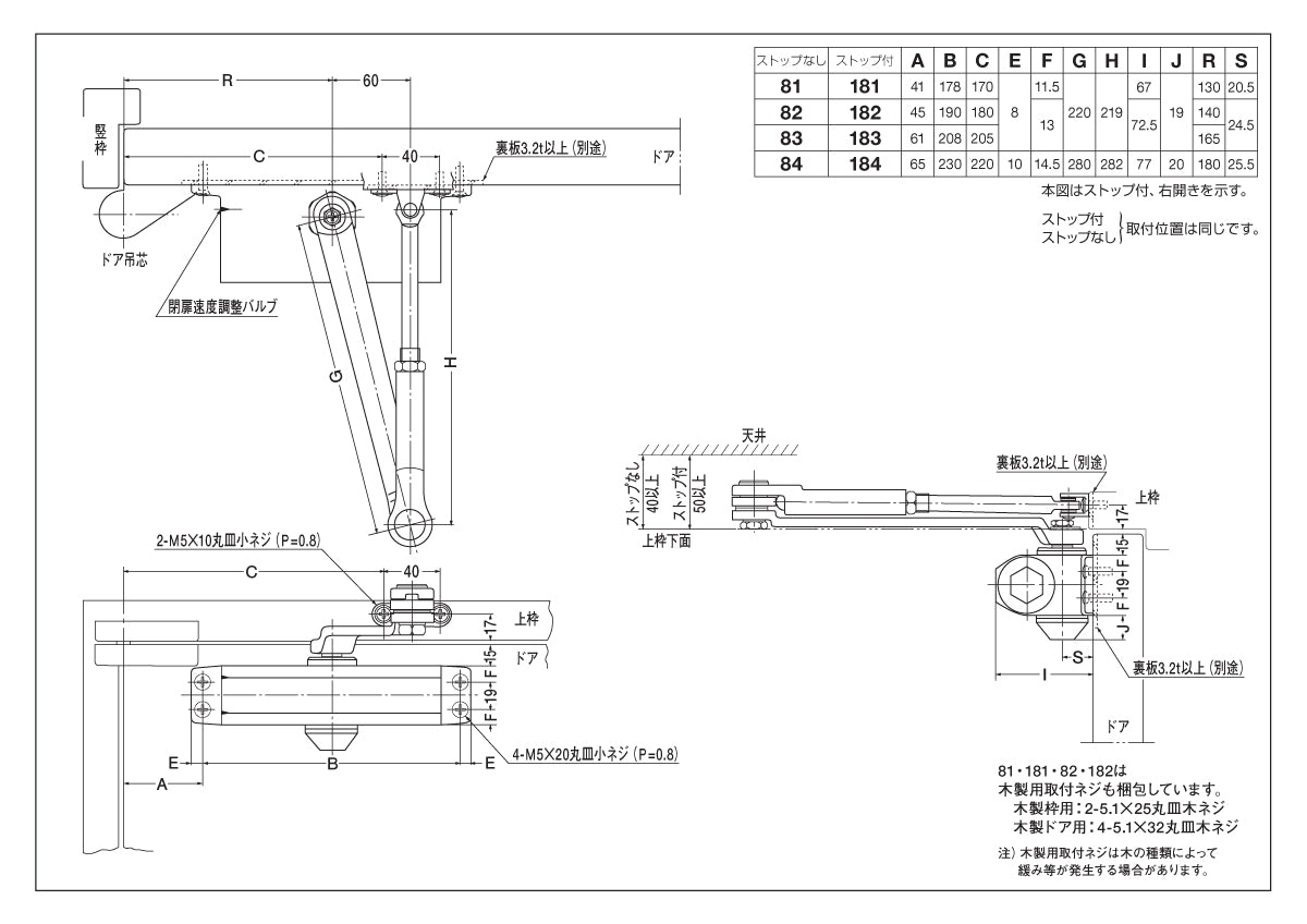
[ 製品図面・納まり図 ]
- 廃番製品図面(※取替の際の参考にして下さい。)
-
- ピンチアウト(拡大)操作できます -
- 取替品「ニュースター 182」の製品図
-









美和ロック(MIWA)
錠前
ドアクローザー
M600シリーズ
M800シリーズ
KM300シリーズ(BL認定品)
M700シリーズ(コンシールドタイプ)
いわきエンジニアリング
大鳥機工
カツデン
シブタニ
ダイケン
長沢製作所
中西産業
日東工器
ニュースター
ハシダ技研
ホクシヨー
増田産業
マルキ
ユニオン
ヨコヅナ
リョービ