- MIWA
- 商品コード:mw m605ps
廃番となった美和ロック製ドアクローザーの取替品。
美和ロック 廃番ドアクローザー M605PSの取替品 →「ニュースター PS-7005」【ストップ付き, パラレル取付型, M600シリーズ, MIWA】
美和ロック 廃番ドアクローザー M605PSの取替品 →「ニュースター PS-7005」【ストップ付き, パラレル取付型, M600シリーズ, MIWA】
カートに追加する前に、必ず 「カラー」をご選択 下さい。
※購入前に、形状・サイズ等に異なる部分がないか、必ず図面をご確認ください。
商品概要
- 商品分類
- ドアクローザー
- メーカー・ブランド
品番・型番 -
- 廃番品 「美和ロック M605PS」
↓ - 取替品 「ニュースター PS-7005」(こちらの商品のご購入となります。)
- 廃番品 「美和ロック M605PS」
- 機能・特徴
- 美和ロックのドアクローザーは全製品廃番となりましたが、同じ取付穴位置のままニュースター製ドアクローザーでの取替が可能です。
- 取付様式
- パラレル取付型
- ストップ機能
- ストップ付き
- 左右勝手
- 左右兼用タイプ。
本体を上下転倒し、閉扉速度調整バルブを吊元側に向けて使用して下さい。 - 適用ドア寸法
- DW1200 × DH2400mm
- ドア重量
- 120kg以下
- カラー
-
- シルバー【N-01】
- バーントアンバー(ブロンズ)【N-52】
- ブラック【N-31】
- クリアグレー【N-62】
- ホワイト【N-22】
- アイボリーホワイト【N-04】
- ゴールド【N-48】
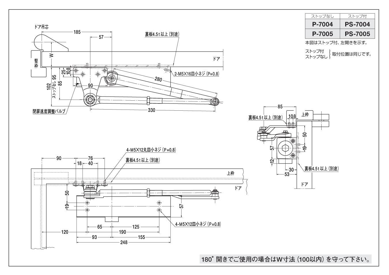
[ 製品図面・納まり図 ]
- 廃番製品図面(※取替の際の参考にして下さい。)
-
- ピンチアウト(拡大)操作できます -
- 取替品「ニュースター PS-7005」の製品図
-
[ 仕様一覧表 ]
仕様一覧表(標準ブラケット・標準アーム)
- 横スクロールで表示できます -| 番手 | ① | ② | ③ | ④ | ⑤ | |
|---|---|---|---|---|---|---|
| ドア適用 | 寸法(DW × DHmm) | 800 × 1800 | 900 × 2100 | 950 × 2100 | 1050 × 2400 | 1200 × 2400 |
| 重量(kg以下) | 30 | 45 | 65 | 85 | 120 | |
| スタンダード型 | ストップ無し | M611 | M612 | M613 | M604 | M605 |
| ストップ付き | M611S | M612S | M613S | M604S | M605S | |
| パラレル型 | ストップ無し | ★ M611P | ★ M612P | ★ M613P | M604P | M605P |
| ストップ付き | ★ M611PS | ★ M612PS | ★ M613PS | M604PS | M605PS | |
- 枠・扉の形状に合わせて、★印のドアクローザーには、ブラケット・アームのバリエーションが設定されています。
下記一覧表より商品ページへとお進み、詳細ご確認下さい。
ブラケット・アームのバリエーション一覧
- 横スクロールで表示できます -









美和ロック(MIWA)
錠前
ドアクローザー
M600シリーズ
M800シリーズ
KM300シリーズ(BL認定品)
M700シリーズ(コンシールドタイプ)
いわきエンジニアリング
大鳥機工
カツデン
シブタニ
ダイケン
長沢製作所
中西産業
日東工器
ニュースター
ハシダ技研
ホクシヨー
増田産業
マルキ
ユニオン
ヨコヅナ
リョービ