- 関連カテゴリ:
- いわきエンジニアリング
- ソリッドヒンジ
- IWAKI
- 商品コード:iwk sor-df
工場や倉庫の大型扉・重量扉用の金物専門メーカーの商品です。
いわきエンジニアリング ソリッドヒンジ SOR-DF 【重量用, 大型丁番, IWAKI】
いわきエンジニアリング ソリッドヒンジ SOR-DF 【重量用, 大型丁番, IWAKI】
カートに追加する前に、必ず 「左右勝手」をご選択 下さい。
商品概要
- 商品分類
- ソリッドヒンジ
- メーカー・ブランド
- いわきエンジニアリング(IWAKI)
- 品番・型番
- SOR-DF
- 機能・特徴
-
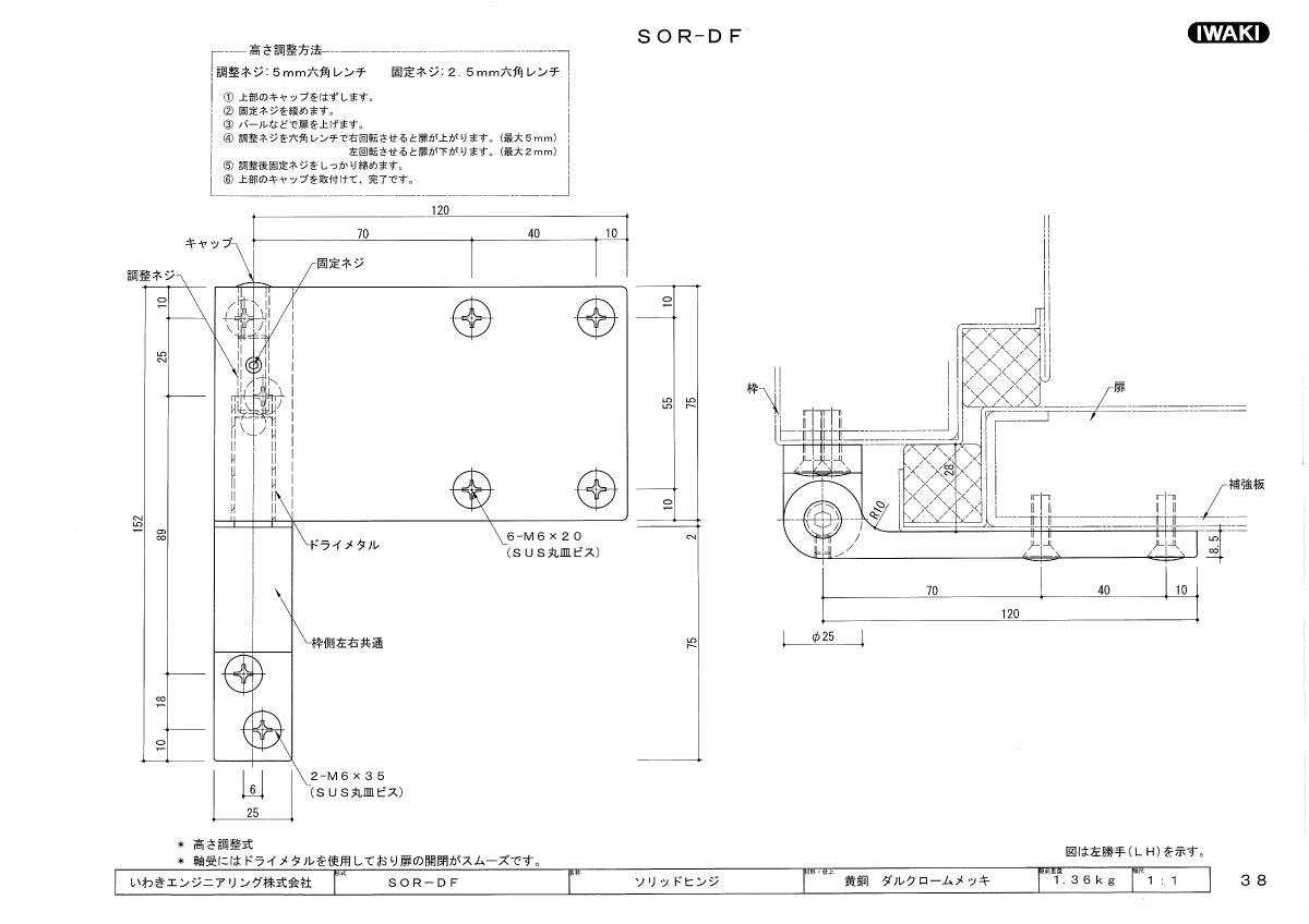
扉の高さ調整機能付きのソリッドヒンジ(重量用丁番)です。
シールド扉・防音シールド扉などに使用されます。 - 用途
- 電波シールド扉など。
- 耐荷重目安
-
- 2枚吊り:80kg
- 3枚吊り:120kg
- 左右勝手
- 左右勝手あり。(※引き勝手)
※ドアを閉じた状態から、引いて開ける際に吊元がどちらにあるかで判断して下さい。
- ドアを引いて右に開く(吊元が右側)場合 → 右勝手
- ドアを引いて左に開く(吊元が左側)場合 → 左勝手
- 材質
- 黄銅
- 仕上げ
- ダルクロームメッキ
- 製品重量
- 1.36kg
[ 製品図面・納まり図 ]
-
- ピンチアウト(拡大)操作できます -









いわきエンジニアリング(IWAKI)
クレモンハンドル
ソリッドヒンジ
アームストッパー
いわきエンジニアリング
大鳥機工
カツデン
シブタニ
ダイケン
長沢製作所
中西産業
日東工器
ニュースター
ハシダ技研
ホクシヨー
増田産業
マルキ
美和ロック
ユニオン
ヨコヅナ
リョービ