- 関連カテゴリ:
- 装置一式
- いわきエンジニアリング
- クレモンハンドル
- IWAKI
- 商品コード:iwk sf-3-b
工場や倉庫の大型扉・重量扉用の金物専門メーカーの商品です。
いわきエンジニアリング クレモンハンドル SF-3(鍵無し・片開き用) 【装置一式, 3点締付クレモンハンドル, IWAKI】
いわきエンジニアリング クレモンハンドル SF-3(鍵無し・片開き用) 【装置一式, 3点締付クレモンハンドル, IWAKI】
カートに追加する前に、必ず 「扉厚」「左右勝手」をご選択 下さい。
商品概要
- 商品分類
- クレモンハンドル
- メーカー・ブランド
- いわきエンジニアリング(IWAKI)
- 品番・型番
-
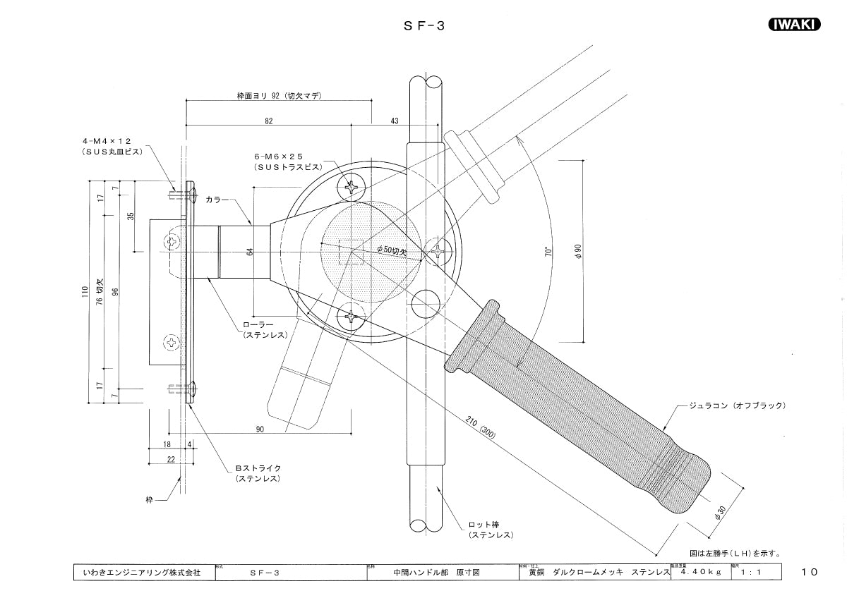
SF-3(鍵無し・片開き用)
※ストライク(受け)が、Bストライク(片開き用)になります。 - 機能・特徴
-
- MRI室などに使用される3点締付クレモンハンドルです。
- 扉厚:40~70mm、70~110mm用があります。
- ローラー部分にはドライメタルを使用しているため、軽い力で扉を確実に密閉することができます。
- ハンドルグリップ部は強化プラスチック(ジュラコン・デルリン系)で、円筒状の為清掃・消毒がしやすく衛生的です。
- 用途
- 防音扉、電波シールド扉、エアタイト扉など。
- 左右勝手
- 左右勝手あり。
- 材質・仕上
-
- 本体:黄銅(ダルクロームメッキ)
- ローラー:ステンレス・ドライメタル
- グリップ:強化プラスチック
- 製品重量
- 8.30kg
[ 製品図面・納まり図 ]
- 装置一式全体図
-
- ピンチアウト(拡大)操作できます -

- ハンドル部
-









いわきエンジニアリング(IWAKI)
クレモンハンドル
ソリッドヒンジ
アームストッパー
いわきエンジニアリング
大鳥機工
カツデン
シブタニ
ダイケン
長沢製作所
中西産業
日東工器
ニュースター
ハシダ技研
ホクシヨー
増田産業
マルキ
美和ロック
ユニオン
ヨコヅナ
リョービ