- 関連カテゴリ:
- いわきエンジニアリング
- ソリッドヒンジ
- IWAKI
- 商品コード:iwk 240-sus-a
工場や倉庫の大型扉・重量扉用の金物専門メーカーの商品です。
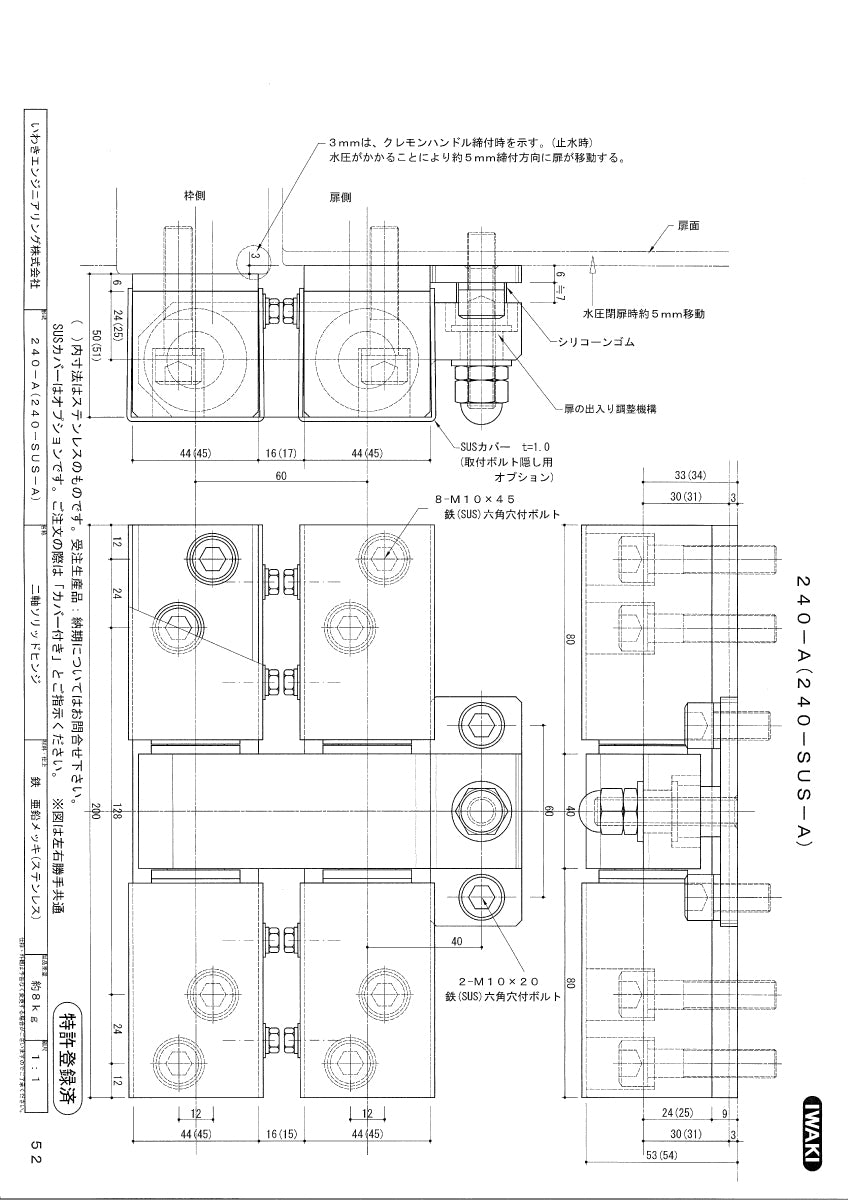
いわきエンジニアリング 二軸ソリッドヒンジ 240-SUS-A 【SUSカバー付き, 止水扉用, IWAKI】
いわきエンジニアリング 二軸ソリッドヒンジ 240-SUS-A 【SUSカバー付き, 止水扉用, IWAKI】
※本商品は受注生産品です。1ロット:10枚~ ご注文可能となります。ご注文を検討されている方は、一度お電話下さい。
商品概要
- 商品分類
- 二軸ソリッドヒンジ(SUSカバー付き)
- メーカー・ブランド
- いわきエンジニアリング(IWAKI)
- 品番・型番
- 240-SUS-A
- 機能・特徴
-
二軸ソリッドヒンジは、グレモンハンドルの操作により扉を枠に平均に押し付ける動きをして止水機能を発揮する、二軸ヒンジ、二軸丁番です。
特に吊元を押し付けるのが特徴です。
軸受部にはメンテナンスフリーのドライメタルを使用している為、扉の開閉が滑らかです。
ビス穴隠しのカバー付きが標準になります。屋外で使用する際の防犯目的などで採用されています。 - 用途
- 防水・水防・止水扉など。
- 耐荷重目安
-
- 2枚吊り:350kg
- 3枚吊り:500kg
- 左右勝手
- 左右勝手共通
- 材質
- ステンレス
- 仕上げ
- ヘアライン
- 製品重量
- 8kg
[ 製品図面・納まり図 ]
-
- ピンチアウト(拡大)操作できます -









いわきエンジニアリング(IWAKI)
クレモンハンドル
ソリッドヒンジ
アームストッパー
いわきエンジニアリング
大鳥機工
カツデン
シブタニ
ダイケン
長沢製作所
中西産業
日東工器
ニュースター
ハシダ技研
ホクシヨー
増田産業
マルキ
美和ロック
ユニオン
ヨコヅナ
リョービ