- 関連カテゴリ:
- THUスライドクローザー
- 防火扉用
- ハシダ技研
特設ページ
- HASHIDA GIKEN
- 商品コード:hg scf-50f
油圧式なので耐久性・安定性に長けた引き戸クローザーです。
ハシダ技研 THUスライドクローザー SCF-50F 【フラットバー取付型, 防火扉用, 引き戸クローザー, HASHIDA GIKEN】
ハシダ技研 THUスライドクローザー SCF-50F 【フラットバー取付型, 防火扉用, 引き戸クローザー, HASHIDA GIKEN】
カートに追加する前に、必ず 「サッシ内幅」「左右勝手」をご選択 下さい。
商品概要
- 商品分類
- 引き戸クローザー(THU 油圧形スライドクローザー)
- メーカー・ブランド
- ハシダ技研(HASHIDA GIKEN)
- 品番・型番
-
SCF-50F【製品一式】
(レールを含む製品一式での販売となります。) - 型式・種類
- 防火扉用
- 取付種別
- フラットバー取付型
- 左右勝手
- 左右勝手あり。
※点検口側から見て、扉を閉じた状態からどちらに引いて開けるかで勝手が決まります。
- 右に引いて開ける → 右勝手
- 左に引いて開ける → 左勝手
- ストップ機能
- ストップ無し・付き どちらの設定も可能です。ご注文の際に、ご選択下さい。
- 適用ドア寸法
- DW1400 × DH2200mm以下
- ドアストローク
- 1400mm以下
- ドア重量
- 50kg以下
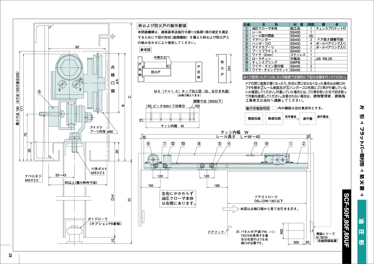
[ 製品図面・納まり図 ]
- 防火扉用・フラットバー取付形(SCB-50F, 80F, 80UF)
-
- ピンチアウト(拡大)操作できます -
[ 製品仕様・特徴 ]
-
- ピンチアウト(拡大)操作できます -
[ 関連リンク ]
ハシダ技研 THUスライドクローザー一覧




