特設ページ
- DIA / Diamond
- 商品コード:dia scf-mp-pr-1
油圧形THUスライドクローザーのメンテナンス用品。取替・修理・交換用として。
大鳥機工 スライドクローザー プーリー組立品(SCF-F用) 【メンテナンスパーツ・部品, 引き戸クローザー用, DIA, Diamond, OHTORI KIKO】
大鳥機工 スライドクローザー プーリー組立品(SCF-F用) 【メンテナンスパーツ・部品, 引き戸クローザー用, DIA, Diamond, OHTORI KIKO】
カートに追加する前に、必ず 「型式」をご選択 下さい。
商品概要
- 商品分類
- 引き戸クローザー(油圧形スライドクローザー)
- メーカー・ブランド
- 大鳥機工(OHTORI KIKO, DIA, Diamond)
- 品番・型番
- プーリー組立品(SCF-F用)
- 型式・種類
- 防火ドア用・フラットバー取付形用
- 左右勝手
- 左右勝手共通
- セット内容
-
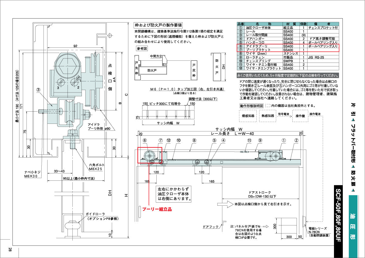
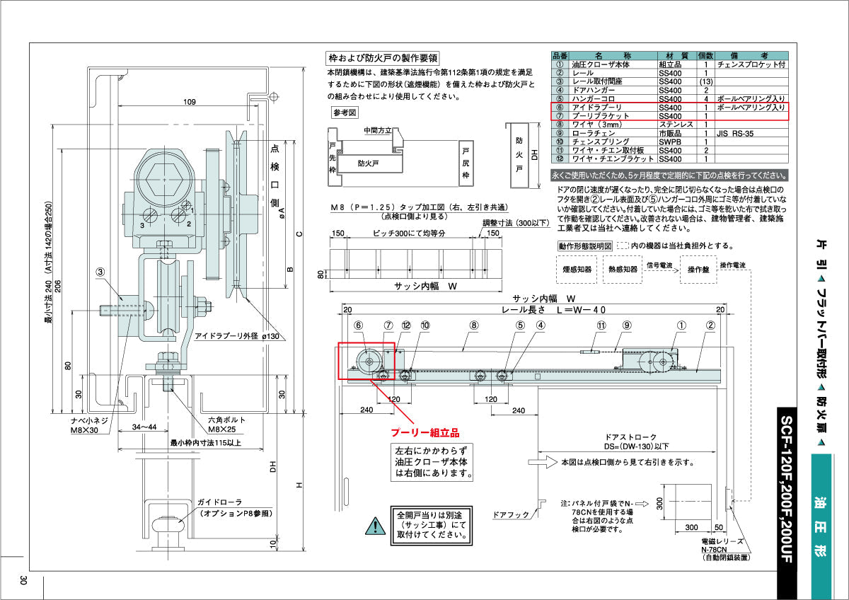
- 図面品番⑥:アイドラプーリ
- 図面品番⑦:プーリブラケット
- 取付用ビス
[ 製品図面・納まり図 ]
- 防火扉用・フラットバー取付形(SCF-50F, 80F, 80UF)
-
- ピンチアウト(拡大)操作できます -
- 防火扉用・フラットバー取付形(SCF-120F, 200F, 200UF)
-
- ピンチアウト(拡大)操作できます -
[ 製品仕様・特徴 ]
- THU スライドクローザー 機種一覧表
-
- ピンチアウト(拡大)操作できます -
[ 関連リンク ]
大鳥機工(DIA)のスライドクローザー一覧
大鳥機工(DIA)のカテゴリ一覧



