- 関連カテゴリ:
- 防火扉用
- 大鳥機工(DIA・Diamond)
- スライドクローザー
特設ページ
- DIA / Diamond
- 商品コード:dia scf-120f
油圧式なので耐久性・安定性に長けた引き戸クローザーです。
大鳥機工 スライドクローザー SCF-120F 【フラットバー取付型, 防火扉用, 引き戸クローザー, DIA, Diamond, OHTORI KIKO】
大鳥機工 スライドクローザー SCF-120F 【フラットバー取付型, 防火扉用, 引き戸クローザー, DIA, Diamond, OHTORI KIKO】
カートに追加する前に、必ず 「サッシ内幅」「左右勝手」をご選択 下さい。
商品概要
- 商品分類
- 引き戸クローザー(油圧形スライドクローザー)
- メーカー・ブランド
- 大鳥機工(OHTORI KIKO, DIA, Diamond)
- 品番・型番
-
SCF-120F【製品一式】
(レールを含む製品一式での販売となります。) - 型式・種類
- 防火扉用
- 取付種別
- フラットバー取付型
- 左右勝手
- 左右勝手あり。
※点検口側から見て、扉を閉じた状態からどちらに引いて開けるかで勝手が決まります。
- 右に引いて開ける → 右勝手
- 左に引いて開ける → 左勝手
- ストップ機能
- ストップ無し・付き どちらの設定も可能です。ご注文の際に、ご選択下さい。
- 適用ドア寸法
- DW2000 × DH2500mm以下
- ドアストローク
- 2000mm以下
- ドア重量
- 120kg以下
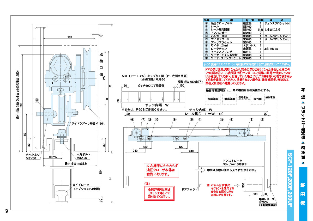
[ 製品図面・納まり図 ]
- 防火扉用・フラットバー取付形(SCB-120F, 200F, 200UF)
-
- ピンチアウト(拡大)操作できます -
[ 製品仕様・特徴 ]
-
- ピンチアウト(拡大)操作できます -
[ 関連リンク ]
大鳥機工(DIA)のスライドクローザー一覧
大鳥機工(DIA)のカテゴリ一覧




