- 関連カテゴリ:
- 200シリーズ
- 大鳥機工(DIA・Diamond)
- 大鳥機工 - ドアクローザー
特設ページ
- DIA / Diamond
- 商品コード:dia s201
建築業界に広く使用されているDIA印。取替・修理・交換用に。
大鳥機工 ドアクローザー S201 【ストップ付き, スタンダード型, DIA, Diamond, ダイヤモンド, OHTORI KIKO】
大鳥機工 ドアクローザー S201 【ストップ付き, スタンダード型, DIA, Diamond, ダイヤモンド, OHTORI KIKO】
カートに追加する前に、必ず 「カラー」をご選択 下さい。
商品概要
- 商品分類
- ドアクローザー
- メーカー・ブランド
- 大鳥機工(OHTORI KIKO, DIA, Diamond, ダイヤモンド)
- 品番
- S201
- シリーズ
- 200シリーズ
- 取付方法
- スタンダード型
- ストップ機能
- ストップ付
- 左右勝手
- 左右兼用
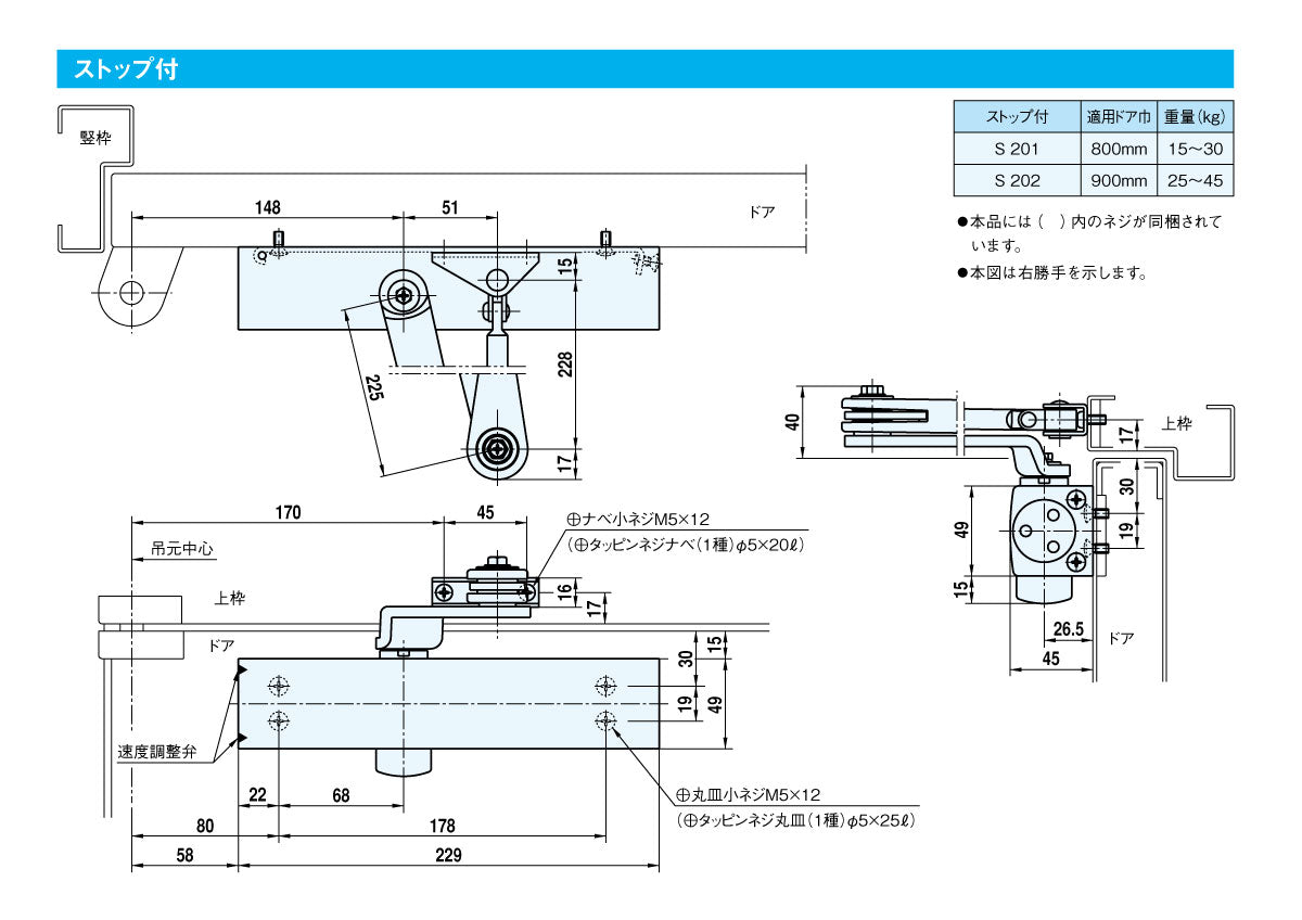
- 適用ドア寸法
- DW800 × DH1800mm
- ドア重量
- 15 ~ 30kg
- カラー
-
- シルバー ※標準色
- メタリックブロンズ(C1)
- ホワイト(WH)
- ブラック(DB)
[ 製品図面・納まり図 ]
-
- ピンチアウト(拡大)操作できます -
[ 仕様一覧表 ]
[ 関連リンク ]
大鳥機工(DIA・Diamond)のドアクローザー一覧
大鳥機工(DIA・Diamond)のカテゴリ一覧



